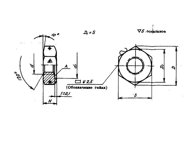
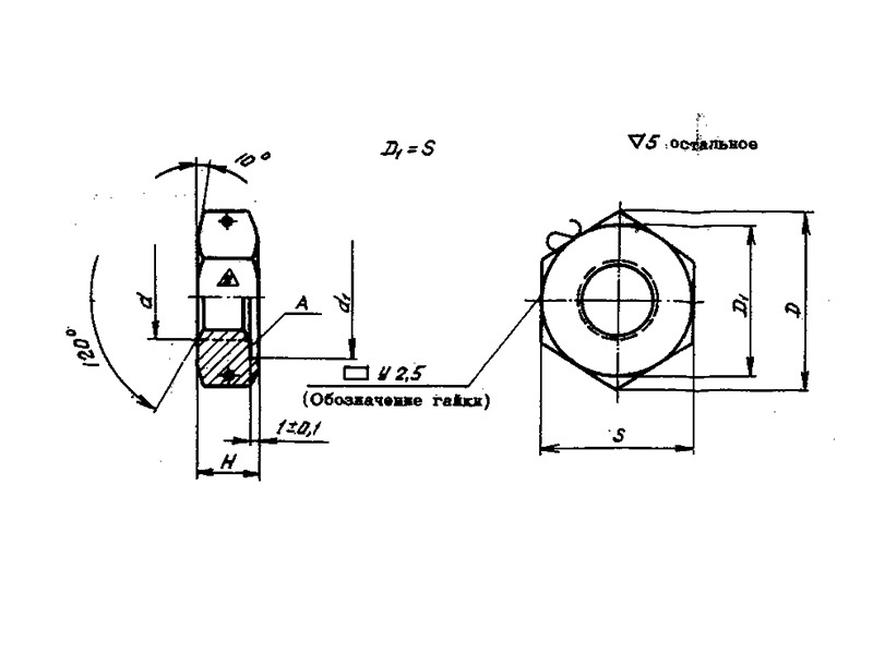
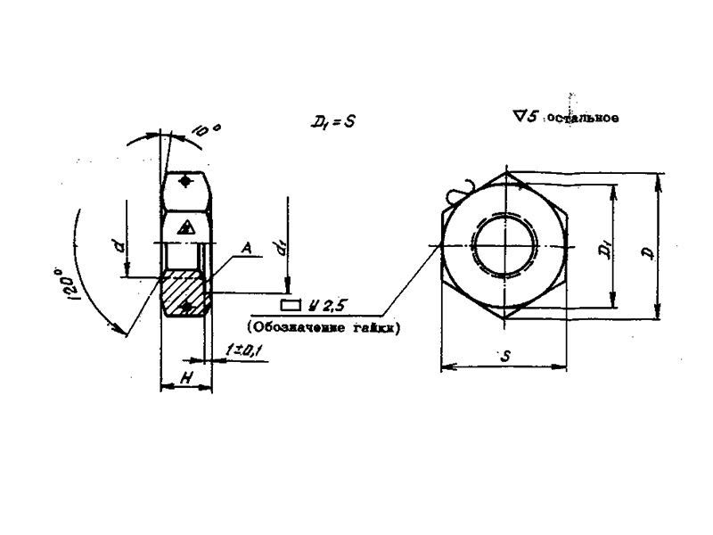
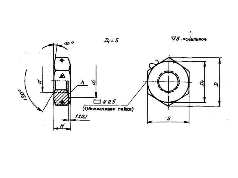
Нормаль 2299А. Уплотнения авиационных гидравлических, топливных, масляных и пневматических систем резиновыми кольцами круглого сечения. Гайки

НОРМАЛЬ 2299А. УПЛОТНЕНИЯ АВИАЦИОННЫХ ГИДРАВЛИЧЕСКИХ, ТОПЛИВНЫХ, МАСЛЯНЫХ И ПНЕВМАТИЧЕСКИХ СИСТЕМ РЕЗИНОВЫМИ КОЛЬЦАМИ КРУГЛОГО СЕЧЕНИЯ. ГАЙКИ. 

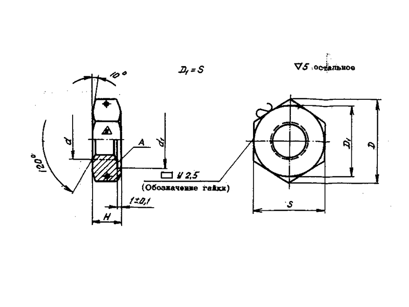
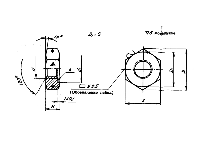
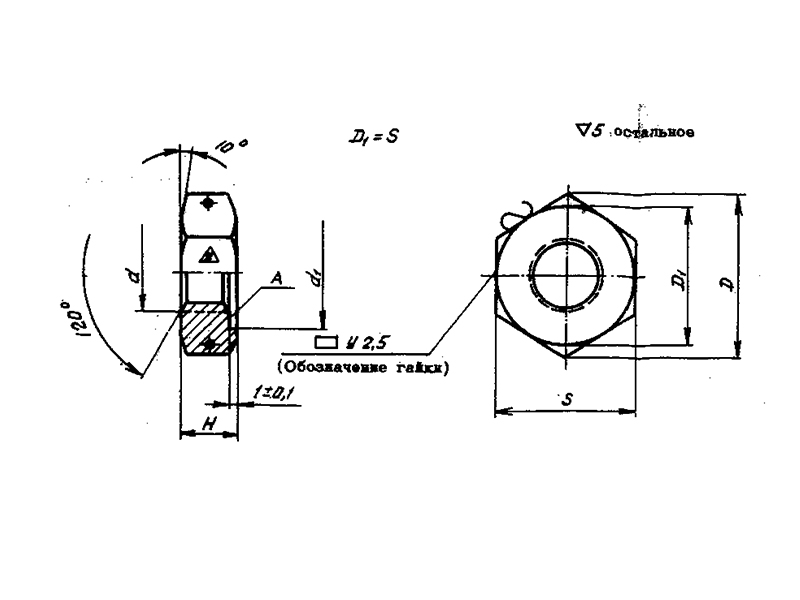
     Гайки по нормали 2299А – это специальный крепеж, предназначенный дляуплотнения авиационных систем.

КОНСТРУКЦИЯ И ТЕХНИЧЕСКИЕ ОСОБЕННОСТИ

     Конструкция гайки состоит из шестигранного стержня и внутреннего отверстия с резьбой.

     Материал изготовления: сталь марки 14X17Н2 (1Х17Н2) по ТУ 14-1-378-72.

     Материал покрытия: Хим.Пас.

2299А.pdf

Пример наименования и обозначения гайки типоразмера М6:

Гайка М6-Нормаль 2299А

Гайка
Наименование метиза
М6
Типоразмер
Нормаль 2299А
Нормативно-технический документ

ПРИМЕНЕНИЕ

     Настоящий стандарт распространяется на гайки для уплотнения авиационных систем.

АНАЛОГИ

ГОСТ 19532-74

ОСТ/ГОСТНормальНаименованиеТипоразмерНа складе
2299А2299АГайкаM6В наличии
2299А2299АГайкаМ8х1В наличии
2299А2299АГайкаМ8В наличии
2299А2299АГайкаМ10х1В наличии
2299А2299АГайкаМ10В наличии
2299А2299АГайкаМ12х1В наличии
2299А2299АГайкаМ12х1,5В наличии
2299А2299АГайкаМ14х1В наличии
2299А2299АГайкаМ14х1,5В наличии
2299А2299АГайкаМ16х1В наличии
2299А2299АГайкаМ16х1,5В наличии
2299А2299АГайкаМ20х1,5В наличии
2299А2299АГайкаМ22х1,5В наличии
2299А2299АГайкаМ24х1,5В наличии
2299А2299АГайкаМ27х1,5В наличии
2299А2299АГайкаМ30х1,5В наличии
2299А2299АГайкаМ33х1,5В наличии
2299А2299АГайкаМ36х1,5В наличии
2299А2299АГайкаМ39х1,5В наличии
2299А2299АГайкаМ42х1,5В наличии
2299А2299АГайкаМ45х1,5В наличии

Для изготовителей и поставщиков: Добавить мои товары в базу

Для покупателей: Подать заявку на покупку

НаименованиеТипоразмерМатериалКоличество, штВес, кг
Гайка 2299А 2299А
О

ОСТ 1 30055-84 Накатка кольцевая стержней болт-заклепок из титанового сплава

ОСТ 1 31076-80 Маркировка крепежных изделий взамен НОРМАЛЬ 176АТ

ОСТ 1 31076-80: Маркировка крепежных изделий (взамен НОРМАЛЬ 176АТ)

ОСТ 1 38016-80 Футорки

ОСТ 1 38020-82 Втулки

ОСТ 1 39502-77 Стопорение болтов, винтов, шпилек, штифтов и гаек

ОСТ 1 39503-77 Длины болтов и винтов

ОСТ 1 39504-79 Головки шестигранные болтов и винтов

ОСТ 1 41471-79 Формообразование концов труб тяг управления из сплава Д16Т. Типовой технологический процесс

ОСТ 1 51730-79 Оснастка для формообразования концов труб тяг управления из сплава Д16Т

ОСТ 1 51731-79 Оснастка для формообразования концов труб тяг управления из сплава Д16Т

ОСТ 1.41001-79 Диаметры отверстий под нарезание резьбы метрической по нормали 754АТ

ОСТ 1.41002-79 Диаметры стержней под нарезание резьбы метрической по нормали 754АТ и ОСТ 1.00039-73

ОСТ 92-0762-72 Болты, винты из титановых сплавов

ОСТ 92-0912-69 Детали из высокопрочных углеродистых легированных и высоколегированных сталей. ОСТ 92-0912-69

ОСТ 92-1130-85 Детали стальные точные

ОСТ 92-1179-77 Детали и сборочные единицы из сталей марок 07Х16Н6 и 08Х17Н5М3

ОСТ 92-8653-75 по ОСТ 92-8674-75 Соединения трубопроводов по внутреннему конусу

ОСТ 92-8843-77 Крепежные детали повышенного качества

ОСТ-1-33102-80 Взамен нормали 102АТУ Гайки ОСТ-1-33102-80

Отраслевая нормаль 214АТ В замен нормали 214МТ55 метрическая резьбой со свободной посадкой

Отраслевая нормаль 714М55 pdf Кольца плоские ,стопорные технические условия

Отраслевая нормаль авиационной техники 101АТУ Взамен 201СТУ51

Отраслевая нормаль авиационной техники. Нормаль 722АТ.

Р

РЕЗЬБА МЕТРИЧЕСКАЯ

Резьба метрическая усиленная тугой посадкой сталь в алюминиевые и магниевые сплавы. Нормаль 254АТ взамен нормальный 154МТ46

Резьба метрическая. Основные размеры и допуски. Отраслевая нормаль 257АТ взамен 57АТ50 взамен 153МТ54.

РЕЗЬБА ТРАПЕЦЕИДАЛЬНАЯ

РЕЗЬБА ТРУБНАЯ ЦИЛИНДРИЧЕСКАЯ

РЕЗЬБА УПОРНАЯ

Резьба усиленная метрическая тугой посадкой сталь сталь система вала настоящая норма распространяется на резьбу усиленную метрическую тугой посадкой для сопрягаемых материалов сталь в сталь. Нормаль 122МТ53 взамен нормали 122МТ51

Резьба усиленная метрическая тугой посадкой сталь сталь система вала настоящая норма распространяется на резьбу усиленную метрическую тугой посадкой для сопрягаемых материалов сталь в сталь. Нормаль 122МТ53 взамен нормали 122МТ51

Резьбовые соединения. Резьба метрическая с натягом по посадкам 2Н5Д и 2Н5С Отраслевой стандарт ОСТ 1 04065–92

Оформите заказ или получите консультацию