ОСТ 1 10414-71 Тройники переходные

ОСТ 1 10414-71 ТРОЙНИКИ ПЕРЕХОДНЫЕ

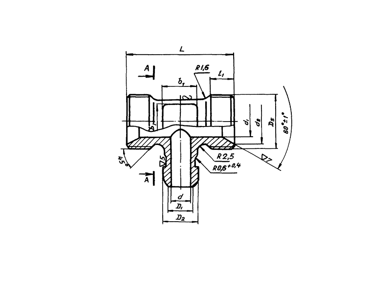
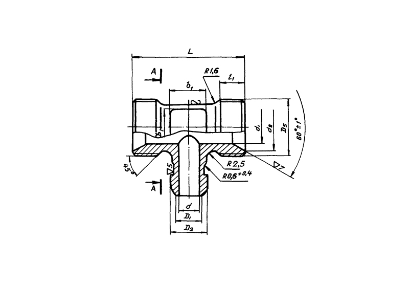
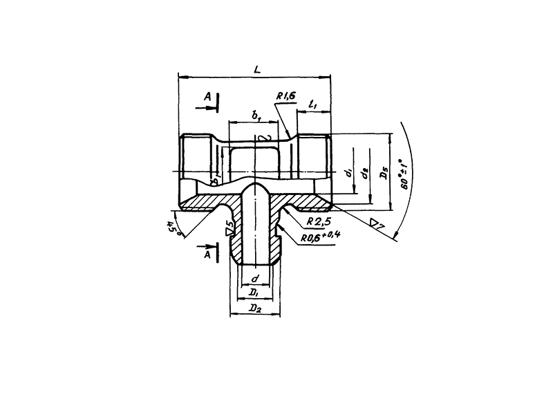
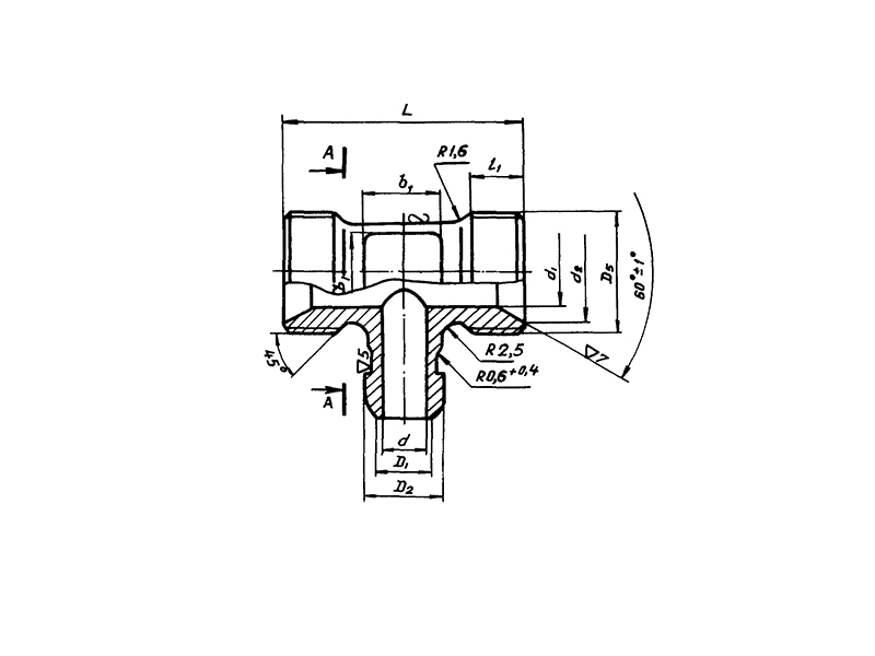
     Тройники переходные по ОСТ 1 10414-71 – это специальный крепеж, предназначенный для соединения трубопроводов по внутреннему конусу с обжимными гайками. Взамен нормали 6552А.

КОНСТРУКЦИЯ И ТЕХНИЧЕСКИЕ ОСОБЕННОСТИ

     Конструкция тройника переходного состоит из трубчатого тройника с резьбами с двух сторон.

     Материал изготовления: сталь 13Х11Н2В2МФ-Ш.

     Материал покрытия: Хим.Пас

ОСТ 1 10414-71.pdf

Пример условного обозначения переходного тройника к трубопроводам с Dн 12 мм и Dн1 18 мм из стали марки 30ХГСА:

Тройник переходной 12-18-ОСТ 1 104013-71

То же, из стали марки 13Х11Н2В2МФ-Ш:

Тройник переходной 12-18-ОСТ 1 104014-71

Тройник переходной
Наименование метиза
12
Наружный диаметр трубы Dн
18
Наружный диаметр трубы Dн1
ОСТ 1 104014-71
Нормативно-технический документ

ПРИМЕНЕНИЕ

     Настоящий стандарт распространяется на тройники переходные, предназначенные для соединений трубопроводов по внутреннему конусу.

АНАЛОГИ

Нормаль 6552А

ОСТ/ГОСТНормальНаименованиеТипоразмерНа складе
ОСТ 1 10414-716552АТройник переходной6х8В наличии
ОСТ 1 10414-716552АТройник переходной6х10В наличии
ОСТ 1 10414-716552АТройник переходной8х10В наличии
ОСТ 1 10414-716552АТройник переходной8х12В наличии
ОСТ 1 10414-716552АТройник переходной8х14В наличии
ОСТ 1 10414-716552АТройник переходной8х16В наличии
ОСТ 1 10414-716552АТройник переходной10х12В наличии
ОСТ 1 10414-716552АТройник переходной10х14В наличии
ОСТ 1 10414-716552АТройник переходной10х16В наличии
ОСТ 1 10414-716552АТройник переходной12х14В наличии
ОСТ 1 10414-716552АТройник переходной12х16В наличии
ОСТ 1 10414-716552АТройник переходной12х18В наличии
ОСТ 1 10414-716552АТройник переходной14х16В наличии
ОСТ 1 10414-716552АТройник переходной14х18В наличии
ОСТ 1 10414-716552АТройник переходной14х20В наличии
ОСТ 1 10414-716552АТройник переходной16х18В наличии
ОСТ 1 10414-716552АТройник переходной16х20В наличии
ОСТ 1 10414-716552АТройник переходной18х20В наличии
ОСТ 1 10414-716552АТройник переходной18х22В наличии
ОСТ 1 10414-716552АТройник переходной20х22В наличии
ОСТ 1 10414-716552АТройник переходной20х25В наличии
ОСТ 1 10414-716552АТройник переходной22х28В наличии

Для изготовителей и поставщиков: Добавить мои товары в базу

Для покупателей: Подать заявку на покупку

НаименованиеТипоразмерМатериалКоличество, штВес, кг
Тройник переходной ОСТ 1 10414-71 6552А
О

ОСТ 1 30055-84 Накатка кольцевая стержней болт-заклепок из титанового сплава

ОСТ 1 31076-80 Маркировка крепежных изделий взамен НОРМАЛЬ 176АТ

ОСТ 1 31076-80: Маркировка крепежных изделий (взамен НОРМАЛЬ 176АТ)

ОСТ 1 38016-80 Футорки

ОСТ 1 38020-82 Втулки

ОСТ 1 39502-77 Стопорение болтов, винтов, шпилек, штифтов и гаек

ОСТ 1 39503-77 Длины болтов и винтов

ОСТ 1 39504-79 Головки шестигранные болтов и винтов

ОСТ 1 41471-79 Формообразование концов труб тяг управления из сплава Д16Т. Типовой технологический процесс

ОСТ 1 51730-79 Оснастка для формообразования концов труб тяг управления из сплава Д16Т

ОСТ 1 51731-79 Оснастка для формообразования концов труб тяг управления из сплава Д16Т

ОСТ 1.41001-79 Диаметры отверстий под нарезание резьбы метрической по нормали 754АТ

ОСТ 1.41002-79 Диаметры стержней под нарезание резьбы метрической по нормали 754АТ и ОСТ 1.00039-73

ОСТ 92-0762-72 Болты, винты из титановых сплавов

ОСТ 92-0912-69 Детали из высокопрочных углеродистых легированных и высоколегированных сталей. ОСТ 92-0912-69

ОСТ 92-1130-85 Детали стальные точные

ОСТ 92-1179-77 Детали и сборочные единицы из сталей марок 07Х16Н6 и 08Х17Н5М3

ОСТ 92-8653-75 по ОСТ 92-8674-75 Соединения трубопроводов по внутреннему конусу

ОСТ-1-33102-80 Взамен нормали 102АТУ Гайки ОСТ-1-33102-80

Отраслевая нормаль 214АТ В замен нормали 214МТ55 метрическая резьбой со свободной посадкой

Отраслевая нормаль 714М55 pdf Кольца плоские ,стопорные технические условия

Отраслевая нормаль авиационной техники 101АТУ Взамен 201СТУ51

Отраслевая нормаль авиационной техники. Нормаль 722АТ.

Р

РЕЗЬБА МЕТРИЧЕСКАЯ

Резьба метрическая усиленная тугой посадкой сталь в алюминиевые и магниевые сплавы. Нормаль 254АТ взамен нормальный 154МТ46

Резьба метрическая. Основные размеры и допуски. Отраслевая нормаль 257АТ взамен 57АТ50 взамен 153МТ54.

РЕЗЬБА ТРАПЕЦЕИДАЛЬНАЯ

РЕЗЬБА ТРУБНАЯ ЦИЛИНДРИЧЕСКАЯ

РЕЗЬБА УПОРНАЯ

Резьба усиленная метрическая тугой посадкой сталь сталь система вала настоящая норма распространяется на резьбу усиленную метрическую тугой посадкой для сопрягаемых материалов сталь в сталь. Нормаль 122МТ53 взамен нормали 122МТ51

Резьба усиленная метрическая тугой посадкой сталь сталь система вала настоящая норма распространяется на резьбу усиленную метрическую тугой посадкой для сопрягаемых материалов сталь в сталь. Нормаль 122МТ53 взамен нормали 122МТ51

Резьбовые соединения. Резьба метрическая с натягом по посадкам 2Н5Д и 2Н5С Отраслевой стандарт ОСТ 1 04065–92

Оформите заказ или получите консультацию