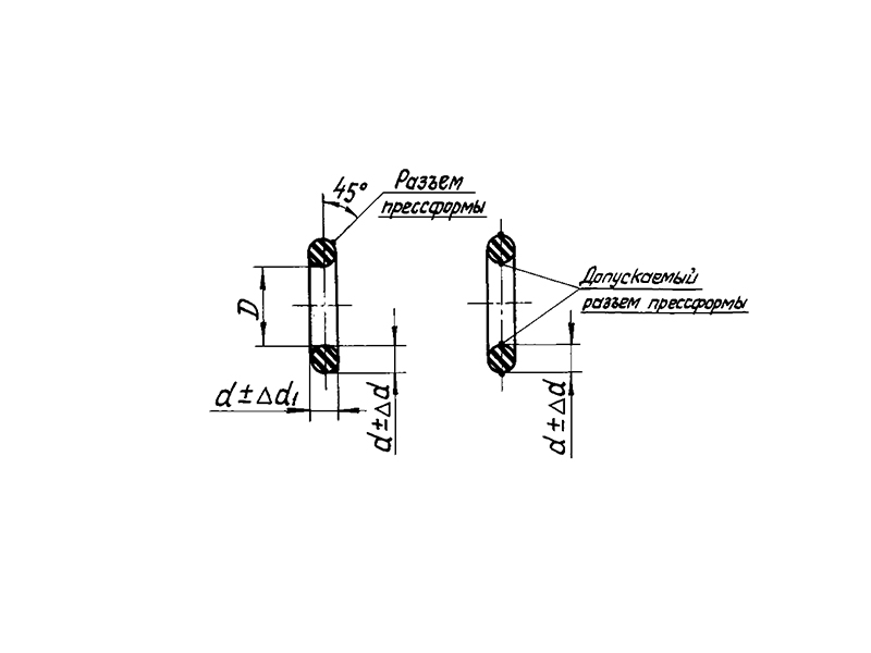
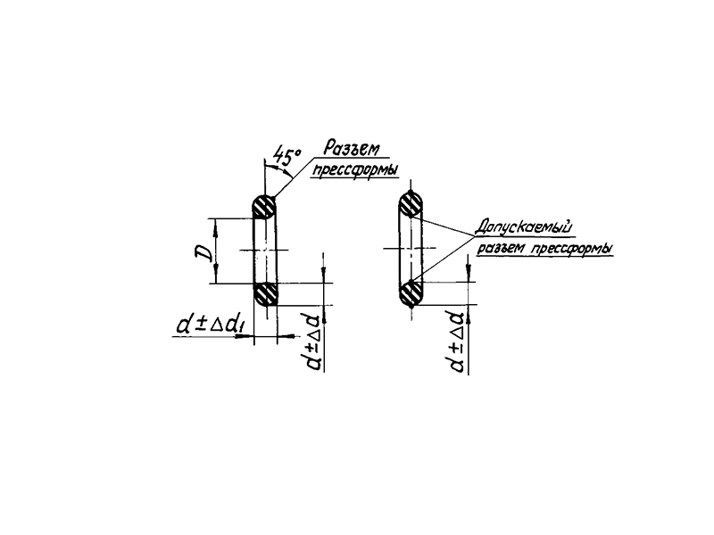
НОРМАЛЬ 2269А УПЛОТНЕНИЯ ДЛЯ АВИАЦИОННЫХ ГИДРАВЛИЧЕСКИХ, ТОПЛИВНЫХ, МАСЛЯНЫХ И ПНЕВМАТИЧЕСКИХ СИСТЕМ РЕЗИНОВЫМИ КОЛЬЦАМИ КРУГЛОГО СЕЧЕНИЯ. КОЛЬЦА.
Кольца по нормали 2269А – это специальный крепеж, предназначенный для уплотнения соединений в агрегатах авиационных гидравлических, топливных, масляных и пневматических систем, работающих при давлениях до 280 кгс/см2.
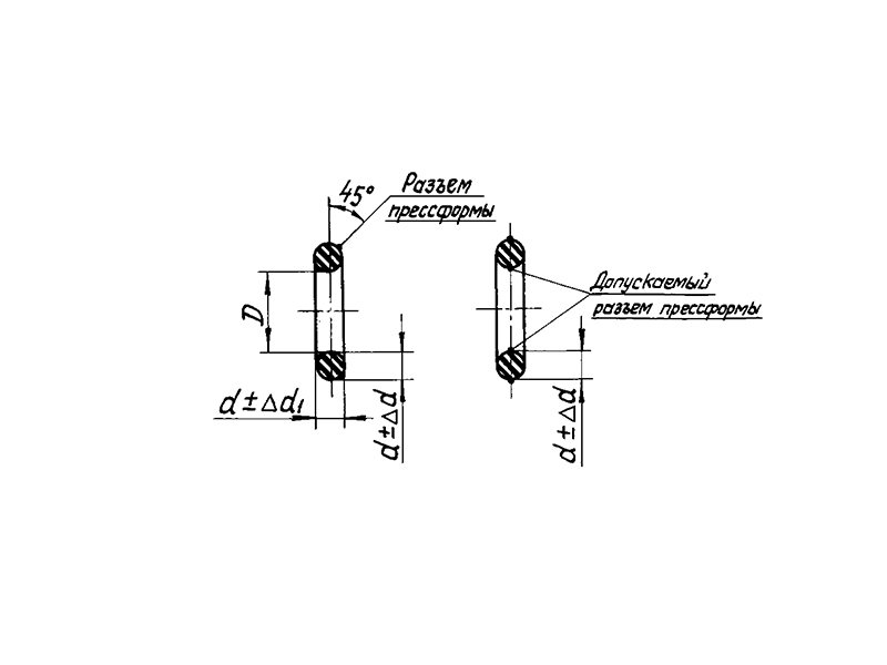
КОНСТРУКЦИЯ И ТЕХНИЧЕСКИЕ ОСОБЕННОСТИ
Конструкция состоит из кольца.
Материал изготовления: резина ИПР-1267.
Материал покрытия: без покрытия.
Примеры обозначения колец 1 группы точности:
Кольцо 2269А-10
Примеры обозначения колец 2 группы точности:
Кольцо 2269А-10-2
ПРИМЕНЕНИЕ
Настоящий стандарт распространяется на уплотнительные кольца, широко используемые в авиационных топливных системах.
АНАЛОГИ
| ОСТ/ГОСТ | Нормаль | Наименование | Типоразмер | На складе |
| 2269А | Кольцо | 1 | В наличии | |
| 2269А | Кольцо | 2 | В наличии | |
| 2269А | Кольцо | 3 | В наличии | |
| 2269А | Кольцо | 4 | В наличии | |
| 2269А | Кольцо | 5 | В наличии | |
| 2269А | Кольцо | 6 | В наличии | |
| 2269А | Кольцо | 7 | В наличии | |
| 2269А | Кольцо | 8 | В наличии | |
| 2269А | Кольцо | 9 | В наличии | |
| 2269А | Кольцо | 10 | В наличии | |
| 2269А | Кольцо | 11 | В наличии | |
| 2269А | Кольцо | 12 | В наличии | |
| 2269А | Кольцо | 13 | В наличии | |
| 2269А | Кольцо | 14 | В наличии | |
| 2269А | Кольцо | 15 | В наличии | |
| 2269А | Кольцо | 16 | В наличии | |
| 2269А | Кольцо | 17 | В наличии | |
| 2269А | Кольцо | 18 | В наличии | |
| 2269А | Кольцо | 19 | В наличии | |
| 2269А | Кольцо | 20 | В наличии | |
| 2269А | Кольцо | 21 | В наличии | |
| 2269А | Кольцо | 22 | В наличии | |
| 2269А | Кольцо | 23 | В наличии | |
| 2269А | Кольцо | 24 | В наличии | |
| 2269А | Кольцо | 25 | В наличии | |
| 2269А | Кольцо | 26 | В наличии | |
| 2269А | Кольцо | 27 | В наличии | |
| 2269А | Кольцо | 28 | В наличии | |
| 2269А | Кольцо | 29 | В наличии | |
| 2269А | Кольцо | 30 | В наличии | |
| 2269А | Кольцо | 31 | В наличии | |
| 2269А | Кольцо | 32 | В наличии | |
| 2269А | Кольцо | 33 | В наличии | |
| 2269А | Кольцо | 34 | В наличии | |
| 2269А | Кольцо | 35 | В наличии | |
| 2269А | Кольцо | 36 | В наличии | |
| 2269А | Кольцо | 37 | В наличии | |
| 2269А | Кольцо | 38 | В наличии | |
| 2269А | Кольцо | 39 | В наличии | |
| 2269А | Кольцо | 40 | В наличии | |
| 2269А | Кольцо | 41 | В наличии | |
| 2269А | Кольцо | 42 | В наличии | |
| 2269А | Кольцо | 43 | В наличии | |
| 2269А | Кольцо | 44 | В наличии | |
| 2269А | Кольцо | 45 | В наличии | |
| 2269А | Кольцо | 46 | В наличии | |
| 2269А | Кольцо | 47 | В наличии | |
| 2269А | Кольцо | 48 | В наличии | |
| 2269А | Кольцо | 49 | В наличии | |
| 2269А | Кольцо | 50 | В наличии | |
| 2269А | Кольцо | 51 | В наличии | |
| 2269А | Кольцо | 52 | В наличии | |
| 2269А | Кольцо | 53 | В наличии | |
| 2269А | Кольцо | 54 | В наличии | |
| 2269А | Кольцо | 55 | В наличии | |
| 2269А | Кольцо | 56 | В наличии | |
| 2269А | Кольцо | 57 | В наличии | |
| 2269А | Кольцо | 58 | В наличии | |
| 2269А | Кольцо | 59 | В наличии | |
| 2269А | Кольцо | 60 | В наличии | |
| 2269А | Кольцо | 61 | В наличии | |
| 2269А | Кольцо | 62 | В наличии | |
| 2269А | Кольцо | 63 | В наличии | |
| 2269А | Кольцо | 64 | В наличии | |
| 2269А | Кольцо | 65 | В наличии | |
| 2269А | Кольцо | 66 | В наличии | |
| 2269А | Кольцо | 67 | В наличии | |
| 2269А | Кольцо | 68 | В наличии | |
| 2269А | Кольцо | 69 | В наличии | |
| 2269А | Кольцо | 70 | В наличии | |
| 2269А | Кольцо | 71 | В наличии | |
| 2269А | Кольцо | 72 | В наличии | |
| 2269А | Кольцо | 73 | В наличии | |
| 2269А | Кольцо | 74 | В наличии | |
| 2269А | Кольцо | 75 | В наличии | |
| 2269А | Кольцо | 76 | В наличии | |
| 2269А | Кольцо | 77 | В наличии | |
| 2269А | Кольцо | 78 | В наличии | |
| 2269А | Кольцо | 79 | В наличии | |
| 2269А | Кольцо | 80 | В наличии | |
| 2269А | Кольцо | 81 | В наличии | |
| 2269А | Кольцо | 82 | В наличии | |
| 2269А | Кольцо | 83 | В наличии | |
| 2269А | Кольцо | 84 | В наличии | |
| 2269А | Кольцо | 85 | В наличии | |
| 2269А | Кольцо | 86 | В наличии | |
| 2269А | Кольцо | 87 | В наличии | |
| 2269А | Кольцо | 88 | В наличии | |
| 2269А | Кольцо | 89 | В наличии | |
| 2269А | Кольцо | 90 | В наличии | |
| 2269А | Кольцо | 91 | В наличии | |
| 2269А | Кольцо | 92 | В наличии | |
| 2269А | Кольцо | 93 | В наличии | |
| 2269А | Кольцо | 94 | В наличии | |
| 2269А | Кольцо | 95 | В наличии | |
| 2269А | Кольцо | 96 | В наличии | |
| 2269А | Кольцо | 97 | В наличии | |
| 2269А | Кольцо | 98 | В наличии | |
| 2269А | Кольцо | 99 | В наличии | |
| 2269А | Кольцо | 100 | В наличии | |
| 2269А | Кольцо | 101 | В наличии | |
| 2269А | Кольцо | 102 | В наличии | |
| 2269А | Кольцо | 103 | В наличии | |
| 2269А | Кольцо | 104 | В наличии | |
| 2269А | Кольцо | 105 | В наличии | |
| 2269А | Кольцо | 106 | В наличии | |
| 2269А | Кольцо | 107 | В наличии | |
| 2269А | Кольцо | 108 | В наличии | |
| 2269А | Кольцо | 109 | В наличии | |
| 2269А | Кольцо | 110 | В наличии | |
| 2269А | Кольцо | 111 | В наличии | |
| 2269А | Кольцо | 112 | В наличии | |
| 2269А | Кольцо | 113 | В наличии | |
| 2269А | Кольцо | 114 | В наличии | |
| 2269А | Кольцо | 115 | В наличии | |
| 2269А | Кольцо | 116 | В наличии | |
| 2269А | Кольцо | 117 | В наличии | |
| 2269А | Кольцо | 118 | В наличии | |
| 2269А | Кольцо | 119 | В наличии | |
| 2269А | Кольцо | 120 | В наличии | |
| 2269А | Кольцо | 121 | В наличии | |
| 2269А | Кольцо | 122 | В наличии | |
| 2269А | Кольцо | 123 | В наличии | |
| 2269А | Кольцо | 124 | В наличии | |
| 2269А | Кольцо | 125 | В наличии | |
| 2269А | Кольцо | 126 | В наличии | |
| 2269А | Кольцо | 127 | В наличии | |
| 2269А | Кольцо | 128 | В наличии | |
| 2269А | Кольцо | 129 | В наличии | |
| 2269А | Кольцо | 130 | В наличии | |
| 2269А | Кольцо | 131 | В наличии | |
| 2269А | Кольцо | 132 | В наличии | |
| 2269А | Кольцо | 133 | В наличии | |
| 2269А | Кольцо | 134 | В наличии | |
| 2269А | Кольцо | 135 | В наличии | |
| 2269А | Кольцо | 136 | В наличии | |
| 2269А | Кольцо | 137 | В наличии | |
| 2269А | Кольцо | 138 | В наличии | |
| 2269А | Кольцо | 139 | В наличии | |
| 2269А | Кольцо | 140 | В наличии | |
| 2269А | Кольцо | 141 | В наличии | |
| 2269А | Кольцо | 142 | В наличии | |
| 2269А | Кольцо | 143 | В наличии | |
| 2269А | Кольцо | 144 | В наличии | |
| 2269А | Кольцо | 145 | В наличии | |
| 2269А | Кольцо | 146 | В наличии | |
| 2269А | Кольцо | 147 | В наличии | |
| 2269А | Кольцо | 148 | В наличии | |
| 2269А | Кольцо | 149 | В наличии | |
| 2269А | Кольцо | 150 | В наличии | |
| 2269А | Кольцо | 151 | В наличии | |
| 2269А | Кольцо | 152 | В наличии | |
| 2269А | Кольцо | 153 | В наличии | |
| 2269А | Кольцо | 154 | В наличии | |
| 2269А | Кольцо | 155 | В наличии | |
| 2269А | Кольцо | 156 | В наличии | |
| 2269А | Кольцо | 157 | В наличии | |
| 2269А | Кольцо | 158 | В наличии | |
| 2269А | Кольцо | 159 | В наличии | |
| 2269А | Кольцо | 160 | В наличии | |
| 2269А | Кольцо | 161 | В наличии | |
| 2269А | Кольцо | 162 | В наличии | |
| 2269А | Кольцо | 163 | В наличии | |
| 2269А | Кольцо | 164 | В наличии | |
| 2269А | Кольцо | 165 | В наличии | |
| 2269А | Кольцо | 166 | В наличии | |
| 2269А | Кольцо | 167 | В наличии | |
| 2269А | Кольцо | 168 | В наличии | |
| 2269А | Кольцо | 169 | В наличии | |
| 2269А | Кольцо | 170 | В наличии | |
| 2269А | Кольцо | 171 | В наличии | |
| 2269А | Кольцо | 172 | В наличии | |
| 2269А | Кольцо | 173 | В наличии | |
| 2269А | Кольцо | 174 | В наличии | |
| 2269А | Кольцо | 175 | В наличии | |
| 2269А | Кольцо | 176 | В наличии | |
| 2269А | Кольцо | 177 | В наличии | |
| 2269А | Кольцо | 178 | В наличии | |
| 2269А | Кольцо | 179 | В наличии | |
| 2269А | Кольцо | 180 | В наличии | |
| 2269А | Кольцо | 181 | В наличии | |
| 2269А | Кольцо | 182 | В наличии | |
| 2269А | Кольцо | 183 | В наличии | |
| 2269А | Кольцо | 184 | В наличии | |
| 2269А | Кольцо | 185 | В наличии | |
| 2269А | Кольцо | 186 | В наличии | |
| 2269А | Кольцо | 187 | В наличии | |
| 2269А | Кольцо | 188 | В наличии | |
| 2269А | Кольцо | 189 | В наличии | |
| 2269А | Кольцо | 190 | В наличии | |
| 2269А | Кольцо | 191 | В наличии | |
| 2269А | Кольцо | 192 | В наличии | |
| 2269А | Кольцо | 193 | В наличии | |
| 2269А | Кольцо | 194 | В наличии | |
| 2269А | Кольцо | 195 | В наличии | |
| 2269А | Кольцо | 196 | В наличии | |
| 2269А | Кольцо | 197 | В наличии | |
| 2269А | Кольцо | 198 | В наличии | |
| 2269А | Кольцо | 199 | В наличии | |
| 2269А | Кольцо | 200 | В наличии | |
| 2269А | Кольцо | 201 | В наличии | |
| 2269А | Кольцо | 202 | В наличии | |
| 2269А | Кольцо | 203 | В наличии | |
| 2269А | Кольцо | 204 | В наличии | |
| 2269А | Кольцо | 205 | В наличии | |
| 2269А | Кольцо | 206 | В наличии | |
| 2269А | Кольцо | 207 | В наличии | |
| 2269А | Кольцо | 208 | В наличии | |
| 2269А | Кольцо | 209 | В наличии | |
| 2269А | Кольцо | 210 | В наличии | |
| 2269А | Кольцо | 211 | В наличии | |
| 2269А | Кольцо | 212 | В наличии | |
| 2269А | Кольцо | 213 | В наличии | |
| 2269А | Кольцо | 214 | В наличии | |
| 2269А | Кольцо | 215 | В наличии | |
| 2269А | Кольцо | 216 | В наличии | |
| 2269А | Кольцо | 217 | В наличии | |
| 2269А | Кольцо | 218 | В наличии | |
| 2269А | Кольцо | 219 | В наличии | |
| 2269А | Кольцо | 220 | В наличии | |
| 2269А | Кольцо | 221 | В наличии | |
| 2269А | Кольцо | 222 | В наличии | |
| 2269А | Кольцо | 223 | В наличии | |
| 2269А | Кольцо | 224 | В наличии | |
| 2269А | Кольцо | 225 | В наличии | |
| 2269А | Кольцо | 226 | В наличии | |
| 2269А | Кольцо | 227 | В наличии | |
| 2269А | Кольцо | 228 | В наличии | |
| 2269А | Кольцо | 229 | В наличии | |
| 2269А | Кольцо | 230 | В наличии | |
| 2269А | Кольцо | 231 | В наличии | |
| 2269А | Кольцо | 232 | В наличии | |
| 2269А | Кольцо | 233 | В наличии | |
| 2269А | Кольцо | 234 | В наличии | |
| 2269А | Кольцо | 235 | В наличии | |
| 2269А | Кольцо | 236 | В наличии | |
| 2269А | Кольцо | 237 | В наличии | |
| 2269А | Кольцо | 238 | В наличии | |
| 2269А | Кольцо | 239 | В наличии | |
| 2269А | Кольцо | 240 | В наличии | |
| 2269А | Кольцо | 241 | В наличии | |
| 2269А | Кольцо | 242 | В наличии | |
| 2269А | Кольцо | 243 | В наличии | |
| 2269А | Кольцо | 244 | В наличии | |
| 2269А | Кольцо | 245 | В наличии | |
| 2269А | Кольцо | 246 | В наличии | |
| 2269А | Кольцо | 247 | В наличии | |
| 2269А | Кольцо | 248 | В наличии | |
| 2269А | Кольцо | 249 | В наличии | |
| 2269А | Кольцо | 250 | В наличии | |
| 2269А | Кольцо | 251 | В наличии | |
| 2269А | Кольцо | 252 | В наличии | |
| 2269А | Кольцо | 253 | В наличии | |
| 2269А | Кольцо | 254 | В наличии | |
| 2269А | Кольцо | 255 | В наличии | |
| 2269А | Кольцо | 256 | В наличии | |
| 2269А | Кольцо | 257 | В наличии | |
| 2269А | Кольцо | 258 | В наличии | |
| 2269А | Кольцо | 259 | В наличии | |
| 2269А | Кольцо | 260 | В наличии | |
| 2269А | Кольцо | 261 | В наличии | |
| 2269А | Кольцо | 262 | В наличии | |
| 2269А | Кольцо | 263 | В наличии | |
| 2269А | Кольцо | 264 | В наличии | |
| 2269А | Кольцо | 265 | В наличии | |
| 2269А | Кольцо | 266 | В наличии | |
| 2269А | Кольцо | 267 | В наличии | |
| 2269А | Кольцо | 268 | В наличии | |
| 2269А | Кольцо | 269 | В наличии | |
| 2269А | Кольцо | 270 | В наличии | |
| 2269А | Кольцо | 271 | В наличии | |
| 2269А | Кольцо | 272 | В наличии | |
| 2269А | Кольцо | 273 | В наличии | |
| 2269А | Кольцо | 274 | В наличии | |
| 2269А | Кольцо | 275 | В наличии | |
| 2269А | Кольцо | 276 | В наличии | |
| 2269А | Кольцо | 277 | В наличии | |
| 2269А | Кольцо | 278 | В наличии | |
| 2269А | Кольцо | 279 | В наличии | |
| 2269А | Кольцо | 280 | В наличии | |
| 2269А | Кольцо | 281 | В наличии | |
| 2269А | Кольцо | 282 | В наличии | |
| 2269А | Кольцо | 283 | В наличии | |
| 2269А | Кольцо | 284 | В наличии | |
| 2269А | Кольцо | 285 | В наличии | |
| 2269А | Кольцо | 286 | В наличии | |
| 2269А | Кольцо | 287 | В наличии | |
| 2269А | Кольцо | 288 | В наличии | |
| 2269А | Кольцо | 289 | В наличии | |
| 2269А | Кольцо | 290 | В наличии | |
| 2269А | Кольцо | 291 | В наличии | |
| 2269А | Кольцо | 292 | В наличии | |
| 2269А | Кольцо | 293 | В наличии | |
| 2269А | Кольцо | 294 | В наличии | |
| 2269А | Кольцо | 295 | В наличии | |
| 2269А | Кольцо | 296 | В наличии | |
| 2269А | Кольцо | 297 | В наличии | |
| 2269А | Кольцо | 298 | В наличии | |
| 2269А | Кольцо | 299 | В наличии | |
| 2269А | Кольцо | 300 | В наличии | |
| 2269А | Кольцо | 301 | В наличии | |
| 2269А | Кольцо | 302 | В наличии | |
| 2269А | Кольцо | 303 | В наличии | |
| 2269А | Кольцо | 304 | В наличии | |
| 2269А | Кольцо | 305 | В наличии | |
| 2269А | Кольцо | 306 | В наличии | |
| 2269А | Кольцо | 307 | В наличии | |
| 2269А | Кольцо | 308 | В наличии | |
| 2269А | Кольцо | 309 | В наличии | |
| 2269А | Кольцо | 310 | В наличии | |
| 2269А | Кольцо | 311 | В наличии | |
| 2269А | Кольцо | 312 | В наличии | |
| 2269А | Кольцо | 313 | В наличии | |
| 2269А | Кольцо | 314 | В наличии | |
| 2269А | Кольцо | 315 | В наличии | |
| 2269А | Кольцо | 316 | В наличии | |
| 2269А | Кольцо | 317 | В наличии | |
| 2269А | Кольцо | 318 | В наличии | |
| 2269А | Кольцо | 319 | В наличии | |
| 2269А | Кольцо | 320 | В наличии | |
| 2269А | Кольцо | 321 | В наличии | |
| 2269А | Кольцо | 322 | В наличии | |
| 2269А | Кольцо | 323 | В наличии | |
| 2269А | Кольцо | 324 | В наличии | |
| 2269А | Кольцо | 325 | В наличии | |
| 2269А | Кольцо | 326 | В наличии | |
| 2269А | Кольцо | 327 | В наличии | |
| 2269А | Кольцо | 328 | В наличии | |
| 2269А | Кольцо | 329 | В наличии | |
| 2269А | Кольцо | 330 | В наличии | |
| 2269А | Кольцо | 331 | В наличии | |
| 2269А | Кольцо | 332 | В наличии | |
| 2269А | Кольцо | 333 | В наличии | |
| 2269А | Кольцо | 334 | В наличии | |
| 2269А | Кольцо | 335 | В наличии | |
| 2269А | Кольцо | 336 | В наличии | |
| 2269А | Кольцо | 337 | В наличии | |
| 2269А | Кольцо | 338 | В наличии | |
| 2269А | Кольцо | 339 | В наличии | |
| 2269А | Кольцо | 340 | В наличии | |
| 2269А | Кольцо | 341 | В наличии | |
| 2269А | Кольцо | 342 | В наличии | |
| 2269А | Кольцо | 343 | В наличии | |
| 2269А | Кольцо | 344 | В наличии | |
| 2269А | Кольцо | 345 | В наличии | |
| 2269А | Кольцо | 346 | В наличии | |
| 2269А | Кольцо | 347 | В наличии | |
| 2269А | Кольцо | 348 | В наличии | |
| 2269А | Кольцо | 349 | В наличии | |
| 2269А | Кольцо | 350 | В наличии | |
| 2269А | Кольцо | 351 | В наличии | |
| 2269А | Кольцо | 352 | В наличии | |
| 2269А | Кольцо | 353 | В наличии | |
| 2269А | Кольцо | 354 | В наличии | |
| 2269А | Кольцо | 355 | В наличии | |
| 2269А | Кольцо | 356 | В наличии | |
| 2269А | Кольцо | 357 | В наличии | |
| 2269А | Кольцо | 358 | В наличии | |
| 2269А | Кольцо | 359 | В наличии | |
| 2269А | Кольцо | 360 | В наличии | |
| 2269А | Кольцо | 361 | В наличии | |
| 2269А | Кольцо | 362 | В наличии | |
| 2269А | Кольцо | 363 | В наличии | |
| 2269А | Кольцо | 364 | В наличии | |
| 2269А | Кольцо | 365 | В наличии | |
| 2269А | Кольцо | 366 | В наличии | |
| 2269А | Кольцо | 367 | В наличии | |
| 2269А | Кольцо | 368 | В наличии | |
| 2269А | Кольцо | 369 | В наличии | |
| 2269А | Кольцо | 370 | В наличии | |
| 2269А | Кольцо | 371 | В наличии | |
| 2269А | Кольцо | 372 | В наличии | |
| 2269А | Кольцо | 373 | В наличии | |
| 2269А | Кольцо | 374 | В наличии | |
| 2269А | Кольцо | 375 | В наличии | |
| 2269А | Кольцо | 376 | В наличии | |
| 2269А | Кольцо | 377 | В наличии | |
| 2269А | Кольцо | 378 | В наличии | |
| 2269А | Кольцо | 379 | В наличии | |
| 2269А | Кольцо | 380 | В наличии | |
| 2269А | Кольцо | 381 | В наличии | |
| 2269А | Кольцо | 382 | В наличии | |
| 2269А | Кольцо | 383 | В наличии | |
| 2269А | Кольцо | 384 | В наличии | |
| 2269А | Кольцо | 385 | В наличии | |
| 2269А | Кольцо | 386 | В наличии | |
| 2269А | Кольцо | 387 | В наличии | |
| 2269А | Кольцо | 388 | В наличии | |
| 2269А | Кольцо | 389 | В наличии | |
| 2269А | Кольцо | 390 | В наличии | |
| 2269А | Кольцо | 391 | В наличии | |
| 2269А | Кольцо | 392 | В наличии | |
| 2269А | Кольцо | 393 | В наличии | |
| 2269А | Кольцо | 394 | В наличии | |
| 2269А | Кольцо | 395 | В наличии | |
| 2269А | Кольцо | 396 | В наличии | |
| 2269А | Кольцо | 397 | В наличии | |
| 2269А | Кольцо | 398 | В наличии | |
| 2269А | Кольцо | 399 | В наличии | |
| 2269А | Кольцо | 400 | В наличии | |
| 2269А | Кольцо | 401 | В наличии | |
| 2269А | Кольцо | 402 | В наличии | |
| 2269А | Кольцо | 403 | В наличии | |
| 2269А | Кольцо | 404 | В наличии | |
| 2269А | Кольцо | 405 | В наличии | |
| 2269А | Кольцо | 406 | В наличии | |
| 2269А | Кольцо | 407 | В наличии | |
| 2269А | Кольцо | 408 | В наличии | |
| 2269А | Кольцо | 409 | В наличии | |
| 2269А | Кольцо | 410 | В наличии | |
| 2269А | Кольцо | 411 | В наличии | |
| 2269А | Кольцо | 412 | В наличии | |
| 2269А | Кольцо | 413 | В наличии | |
| 2269А | Кольцо | 414 | В наличии | |
| 2269А | Кольцо | 415 | В наличии | |
| 2269А | Кольцо | 416 | В наличии | |
| 2269А | Кольцо | 417 | В наличии | |
| 2269А | Кольцо | 418 | В наличии | |
| 2269А | Кольцо | 419 | В наличии | |
| 2269А | Кольцо | 420 | В наличии | |
| 2269А | Кольцо | 421 | В наличии | |
| 2269А | Кольцо | 422 | В наличии | |
| 2269А | Кольцо | 423 | В наличии | |
| 2269А | Кольцо | 424 | В наличии | |
| 2269А | Кольцо | 425 | В наличии | |
| 2269А | Кольцо | 426 | В наличии | |
| 2269А | Кольцо | 427 | В наличии | |
| 2269А | Кольцо | 428 | В наличии | |
| 2269А | Кольцо | 429 | В наличии | |
| 2269А | Кольцо | 430 | В наличии | |
| 2269А | Кольцо | 431 | В наличии | |
| 2269А | Кольцо | 432 | В наличии | |
| 2269А | Кольцо | 433 | В наличии | |
| 2269А | Кольцо | 434 | В наличии | |
| 2269А | Кольцо | 435 | В наличии | |
| 2269А | Кольцо | 436 | В наличии | |
| 2269А | Кольцо | 437 | В наличии | |
| 2269А | Кольцо | 438 | В наличии | |
| 2269А | Кольцо | 439 | В наличии | |
| 2269А | Кольцо | 440 | В наличии | |
| 2269А | Кольцо | 441 | В наличии | |
| 2269А | Кольцо | 442 | В наличии | |
| 2269А | Кольцо | 443 | В наличии | |
| 2269А | Кольцо | 444 | В наличии | |
| 2269А | Кольцо | 445 | В наличии | |
| 2269А | Кольцо | 446 | В наличии | |
| 2269А | Кольцо | 447 | В наличии | |
| 2269А | Кольцо | 448 | В наличии | |
| 2269А | Кольцо | 449 | В наличии | |
| 2269А | Кольцо | 450 | В наличии | |
| 2269А | Кольцо | 451 | В наличии | |
| 2269А | Кольцо | 452 | В наличии | |
| 2269А | Кольцо | 453 | В наличии | |
| 2269А | Кольцо | 454 | В наличии | |
| 2269А | Кольцо | 455 | В наличии | |
| 2269А | Кольцо | 456 | В наличии | |
| 2269А | Кольцо | 457 | В наличии | |
| 2269А | Кольцо | 458 | В наличии | |
| 2269А | Кольцо | 459 | В наличии | |
| 2269А | Кольцо | 460 | В наличии | |
| 2269А | Кольцо | 461 | В наличии | |
| 2269А | Кольцо | 462 | В наличии | |
| 2269А | Кольцо | 463 | В наличии | |
| 2269А | Кольцо | 464 | В наличии | |
| 2269А | Кольцо | 465 | В наличии | |
| 2269А | Кольцо | 466 | В наличии | |
| 2269А | Кольцо | 467 | В наличии | |
| 2269А | Кольцо | 468 | В наличии | |
| 2269А | Кольцо | 469 | В наличии | |
| 2269А | Кольцо | 470 | В наличии | |
| 2269А | Кольцо | 471 | В наличии | |
| 2269А | Кольцо | 472 | В наличии | |
| 2269А | Кольцо | 473 | В наличии | |
| 2269А | Кольцо | 474 | В наличии | |
| 2269А | Кольцо | 475 | В наличии | |
| 2269А | Кольцо | 476 | В наличии | |
| 2269А | Кольцо | 477 | В наличии | |
| 2269А | Кольцо | 478 | В наличии | |
| 2269А | Кольцо | 479 | В наличии | |
| 2269А | Кольцо | 480 | В наличии | |
| 2269А | Кольцо | 481 | В наличии | |
| 2269А | Кольцо | 482 | В наличии | |
| 2269А | Кольцо | 483 | В наличии | |
| 2269А | Кольцо | 484 | В наличии | |
| 2269А | Кольцо | 485 | В наличии | |
| 2269А | Кольцо | 486 | В наличии | |
| 2269А | Кольцо | 487 | В наличии | |
| 2269А | Кольцо | 488 | В наличии | |
| 2269А | Кольцо | 489 | В наличии | |
| 2269А | Кольцо | 490 | В наличии | |
| 2269А | Кольцо | 491 | В наличии | |
| 2269А | Кольцо | 492 | В наличии | |
| 2269А | Кольцо | 493 | В наличии | |
| 2269А | Кольцо | 494 | В наличии | |
| 2269А | Кольцо | 495 | В наличии | |
| 2269А | Кольцо | 496 | В наличии | |
| 2269А | Кольцо | 497 | В наличии | |
| 2269А | Кольцо | 498 | В наличии | |
| 2269А | Кольцо | 499 | В наличии | |
| 2269А | Кольцо | 500 | В наличии | |
| 2269А | Кольцо | 501 | В наличии | |
| 2269А | Кольцо | 502 | В наличии | |
| 2269А | Кольцо | 503 | В наличии | |
| 2269А | Кольцо | 504 | В наличии | |
| 2269А | Кольцо | 505 | В наличии | |
| 2269А | Кольцо | 506 | В наличии | |
| 2269А | Кольцо | 507 | В наличии | |
| 2269А | Кольцо | 508 | В наличии | |
| 2269А | Кольцо | 509 | В наличии | |
| 2269А | Кольцо | 510 | В наличии | |
| 2269А | Кольцо | 511 | В наличии | |
| 2269А | Кольцо | 512 | В наличии | |
| 2269А | Кольцо | 513 | В наличии | |
| 2269А | Кольцо | 514 | В наличии | |
| 2269А | Кольцо | 515 | В наличии |
Для изготовителей и поставщиков: Добавить мои товары в базу
Для покупателей: Подать заявку на покупку
| Наименование | Типоразмер | Материал | Количество, шт | Вес, кг |
| Кольцо 2269А |
ОСТ 1 30055-84 Накатка кольцевая стержней болт-заклепок из титанового сплава
ОСТ 1 31076-80 Маркировка крепежных изделий взамен НОРМАЛЬ 176АТ
ОСТ 1 31076-80: Маркировка крепежных изделий (взамен НОРМАЛЬ 176АТ)
ОСТ 1 39502-77 Стопорение болтов, винтов, шпилек, штифтов и гаек
ОСТ 1 39503-77 Длины болтов и винтов
ОСТ 1 39504-79 Головки шестигранные болтов и винтов
ОСТ 1 51730-79 Оснастка для формообразования концов труб тяг управления из сплава Д16Т
ОСТ 1 51731-79 Оснастка для формообразования концов труб тяг управления из сплава Д16Т
ОСТ 1.41001-79 Диаметры отверстий под нарезание резьбы метрической по нормали 754АТ
ОСТ 1.41002-79 Диаметры стержней под нарезание резьбы метрической по нормали 754АТ и ОСТ 1.00039-73
ОСТ 92-0762-72 Болты, винты из титановых сплавов
ОСТ 92-1130-85 Детали стальные точные
ОСТ 92-1179-77 Детали и сборочные единицы из сталей марок 07Х16Н6 и 08Х17Н5М3
ОСТ 92-8653-75 по ОСТ 92-8674-75 Соединения трубопроводов по внутреннему конусу
ОСТ 92-8843-77 Крепежные детали повышенного качества
ОСТ-1-33102-80 Взамен нормали 102АТУ Гайки ОСТ-1-33102-80
Отраслевая нормаль 214АТ В замен нормали 214МТ55 метрическая резьбой со свободной посадкой
Отраслевая нормаль 714М55 pdf Кольца плоские ,стопорные технические условия
Отраслевая нормаль авиационной техники 101АТУ Взамен 201СТУ51
2026 «Быстрометиз». Мы не интернет-магазин. Информация о наличии и стоимости продукции не является публичной офертой.
Задайте вопрос нашим специалистам