Нормаль 3501А. Заклепки с плоской головкой

НОРМАЛЬ 3501а. заклепки с плоской головкой

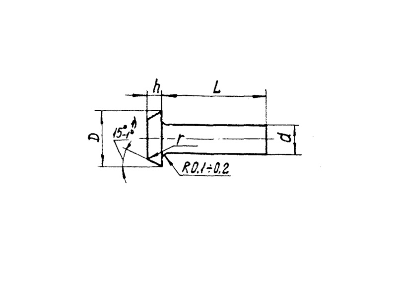
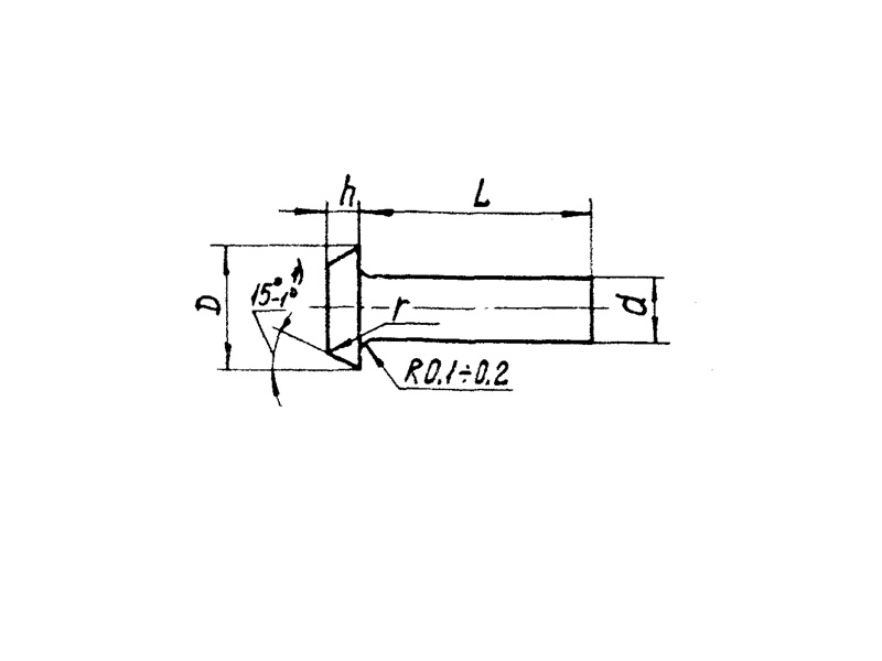
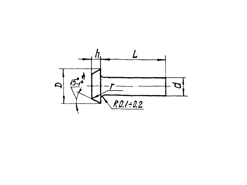
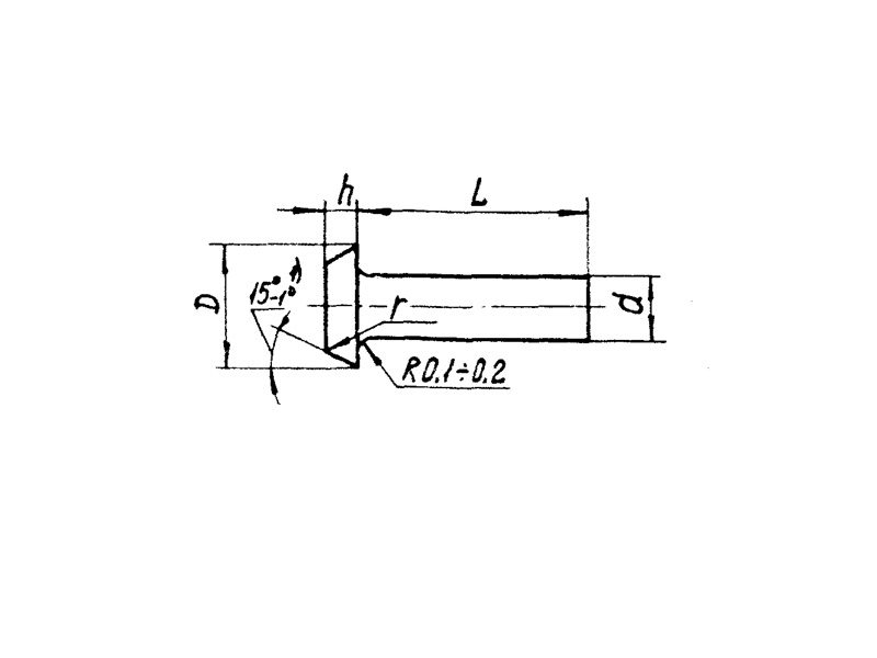
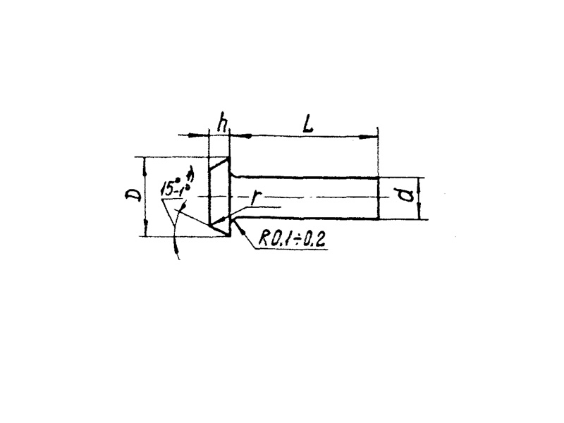
     Заклепки по нормали 3501А –это специальный крепеж, так как его конструкция заключается в цилиндрическом стержне и плоской головке, ими можно соединять и закреплять металлические детали между собой, по средствам расклепывания стержня и получения шляпки, фиксирующей соединение. Взамен нормалей 2000А50-2005А50.

КОНСТРУКЦИЯ И ТЕХНИЧЕСКИЕ ОСОБЕННОСТИ

     Конструкция заклёпки состоит из цилиндрического стержня и плоской головки.

     Материал изготовления: алюминиевый сплав В65.

     Материал покрытия: Ан.Окс.

Нормаль 3501А.pdf

Пример наименования и обозначения заклепки с размерами d=4 и L=12 мм:

Заклепка 3501А-4-12

Заклепка
Наименование метиза
4
Диаметр
12
Длина
Нормаль 3501А
Нормативно-технический документ

ПРИМЕНЕНИЕ

     Данные заклепки используются во многих отраслях промышленности.

АНАЛОГИ

Нормали 2000А50-2005А50.

ОСТ/ГОСТНормальНаименованиеТипоразмерНа складе
3501А2000А50-2005А50Заклепка2х4В наличии
3501А2000А50-2005А50Заклепка2х5В наличии
3501А2000А50-2005А50Заклепка2х6В наличии
3501А2000А50-2005А50Заклепка2х7В наличии
3501А2000А50-2005А50Заклепка2х8В наличии
3501А2000А50-2005А50Заклепка2х9В наличии
3501А2000А50-2005А50Заклепка2х10В наличии
3501А2000А50-2005А50Заклепка2х11В наличии
3501А2000А50-2005А50Заклепка2х12В наличии
3501А2000А50-2005А50Заклепка2х13В наличии
3501А2000А50-2005А50Заклепка2х14В наличии
3501А2000А50-2005А50Заклепка2х15В наличии
3501А2000А50-2005А50Заклепка2х16В наличии
3501А2000А50-2005А50Заклепка2,6х4В наличии
3501А2000А50-2005А50Заклепка2,6х5В наличии
3501А2000А50-2005А50Заклепка2,6х6В наличии
3501А2000А50-2005А50Заклепка2,6х7В наличии
3501А2000А50-2005А50Заклепка2,6х8В наличии
3501А2000А50-2005А50Заклепка2,6х9В наличии
3501А2000А50-2005А50Заклепка2,6х10В наличии
3501А2000А50-2005А50Заклепка2,6х11В наличии
3501А2000А50-2005А50Заклепка2,6х12В наличии
3501А2000А50-2005А50Заклепка2,6х13В наличии
3501А2000А50-2005А50Заклепка2,6х14В наличии
3501А2000А50-2005А50Заклепка2,6х15В наличии
3501А2000А50-2005А50Заклепка2,6х16В наличии
3501А2000А50-2005А50Заклепка2,6х17В наличии
3501А2000А50-2005А50Заклепка2,6х18В наличии
3501А2000А50-2005А50Заклепка2,6х19В наличии
3501А2000А50-2005А50Заклепка2,6х20В наличии
3501А2000А50-2005А50Заклепка3х5В наличии
3501А2000А50-2005А50Заклепка3х6В наличии
3501А2000А50-2005А50Заклепка3х7В наличии
3501А2000А50-2005А50Заклепка3х8В наличии
3501А2000А50-2005А50Заклепка3х9В наличии
3501А2000А50-2005А50Заклепка3х10В наличии
3501А2000А50-2005А50Заклепка3х11В наличии
3501А2000А50-2005А50Заклепка3х12В наличии
3501А2000А50-2005А50Заклепка3х13В наличии
3501А2000А50-2005А50Заклепка3х14В наличии
3501А2000А50-2005А50Заклепка3х15В наличии
3501А2000А50-2005А50Заклепка3х16В наличии
3501А2000А50-2005А50Заклепка3х17В наличии
3501А2000А50-2005А50Заклепка3х18В наличии
3501А2000А50-2005А50Заклепка3х19В наличии
3501А2000А50-2005А50Заклепка3х20В наличии
3501А2000А50-2005А50Заклепка3х22В наличии
3501А2000А50-2005А50Заклепка3х24В наличии
3501А2000А50-2005А50Заклепка3,5х6В наличии
3501А2000А50-2005А50Заклепка3,5х7В наличии
3501А2000А50-2005А50Заклепка3,5х8В наличии
3501А2000А50-2005А50Заклепка3,5х9В наличии
3501А2000А50-2005А50Заклепка3,5х10В наличии
3501А2000А50-2005А50Заклепка3,5х11В наличии
3501А2000А50-2005А50Заклепка3,5х12В наличии
3501А2000А50-2005А50Заклепка3,5х13В наличии
3501А2000А50-2005А50Заклепка3,5х14В наличии
3501А2000А50-2005А50Заклепка3,5х15В наличии
3501А2000А50-2005А50Заклепка3,5х16В наличии
3501А2000А50-2005А50Заклепка3,5х17В наличии
3501А2000А50-2005А50Заклепка3,5х18В наличии
3501А2000А50-2005А50Заклепка3,5х19В наличии
3501А2000А50-2005А50Заклепка3,5х20В наличии
3501А2000А50-2005А50Заклепка3,5х22В наличии
3501А2000А50-2005А50Заклепка3,5х24В наличии
3501А2000А50-2005А50Заклепка3,5х26В наличии
3501А2000А50-2005А50Заклепка3,5х28В наличии
3501А2000А50-2005А50Заклепка4х6В наличии
3501А2000А50-2005А50Заклепка4х7В наличии
3501А2000А50-2005А50Заклепка4х8В наличии
3501А2000А50-2005А50Заклепка4х9В наличии
3501А2000А50-2005А50Заклепка4х10В наличии
3501А2000А50-2005А50Заклепка4х11В наличии
3501А2000А50-2005А50Заклепка4х12В наличии
3501А2000А50-2005А50Заклепка4х13В наличии
3501А2000А50-2005А50Заклепка4х14В наличии
3501А2000А50-2005А50Заклепка4х15В наличии
3501А2000А50-2005А50Заклепка4х16В наличии
3501А2000А50-2005А50Заклепка4х17В наличии
3501А2000А50-2005А50Заклепка4х18В наличии
3501А2000А50-2005А50Заклепка4х19В наличии
3501А2000А50-2005А50Заклепка4х20В наличии
3501А2000А50-2005А50Заклепка4х22В наличии
3501А2000А50-2005А50Заклепка4х24В наличии
3501А2000А50-2005А50Заклепка4х26В наличии
3501А2000А50-2005А50Заклепка4х28В наличии
3501А2000А50-2005А50Заклепка4х30В наличии
3501А2000А50-2005А50Заклепка4х32В наличии
3501А2000А50-2005А50Заклепка5х8В наличии
3501А2000А50-2005А50Заклепка5х9В наличии
3501А2000А50-2005А50Заклепка5х10В наличии
3501А2000А50-2005А50Заклепка5х11В наличии
3501А2000А50-2005А50Заклепка5х12В наличии
3501А2000А50-2005А50Заклепка5х13В наличии
3501А2000А50-2005А50Заклепка5х14В наличии
3501А2000А50-2005А50Заклепка5х15В наличии
3501А2000А50-2005А50Заклепка5х16В наличии
3501А2000А50-2005А50Заклепка5х17В наличии
3501А2000А50-2005А50Заклепка5х18В наличии
3501А2000А50-2005А50Заклепка5х19В наличии
3501А2000А50-2005А50Заклепка5х20В наличии
3501А2000А50-2005А50Заклепка5х22В наличии
3501А2000А50-2005А50Заклепка5х24В наличии
3501А2000А50-2005А50Заклепка5х26В наличии
3501А2000А50-2005А50Заклепка5х28В наличии
3501А2000А50-2005А50Заклепка5х30В наличии
3501А2000А50-2005А50Заклепка5х32В наличии
3501А2000А50-2005А50Заклепка5х34В наличии
3501А2000А50-2005А50Заклепка5х36В наличии
3501А2000А50-2005А50Заклепка5х38В наличии
3501А2000А50-2005А50Заклепка5х40В наличии
3501А2000А50-2005А50Заклепка6х10В наличии
3501А2000А50-2005А50Заклепка6х11В наличии
3501А2000А50-2005А50Заклепка6х12В наличии
3501А2000А50-2005А50Заклепка6х13В наличии
3501А2000А50-2005А50Заклепка6х14В наличии
3501А2000А50-2005А50Заклепка6х15В наличии
3501А2000А50-2005А50Заклепка6х16В наличии
3501А2000А50-2005А50Заклепка6х17В наличии
3501А2000А50-2005А50Заклепка6х18В наличии
3501А2000А50-2005А50Заклепка6х19В наличии
3501А2000А50-2005А50Заклепка6х20В наличии
3501А2000А50-2005А50Заклепка6х22В наличии
3501А2000А50-2005А50Заклепка6х24В наличии
3501А2000А50-2005А50Заклепка6х26В наличии
3501А2000А50-2005А50Заклепка6х28В наличии
3501А2000А50-2005А50Заклепка6х30В наличии
3501А2000А50-2005А50Заклепка6х32В наличии
3501А2000А50-2005А50Заклепка6х34В наличии
3501А2000А50-2005А50Заклепка6х36В наличии
3501А2000А50-2005А50Заклепка6х38В наличии
3501А2000А50-2005А50Заклепка6х40В наличии
3501А2000А50-2005А50Заклепка7х12В наличии
3501А2000А50-2005А50Заклепка7х13В наличии
3501А2000А50-2005А50Заклепка7х14В наличии
3501А2000А50-2005А50Заклепка7х15В наличии
3501А2000А50-2005А50Заклепка7х16В наличии
3501А2000А50-2005А50Заклепка7х17В наличии
3501А2000А50-2005А50Заклепка7х18В наличии
3501А2000А50-2005А50Заклепка7х19В наличии
3501А2000А50-2005А50Заклепка7х20В наличии
3501А2000А50-2005А50Заклепка7х22В наличии
3501А2000А50-2005А50Заклепка7х24В наличии
3501А2000А50-2005А50Заклепка7х26В наличии
3501А2000А50-2005А50Заклепка7х28В наличии
3501А2000А50-2005А50Заклепка7х30В наличии
3501А2000А50-2005А50Заклепка7х32В наличии
3501А2000А50-2005А50Заклепка7х34В наличии
3501А2000А50-2005А50Заклепка7х36В наличии
3501А2000А50-2005А50Заклепка7х38В наличии
3501А2000А50-2005А50Заклепка7х40В наличии
3501А2000А50-2005А50Заклепка7х42В наличии
3501А2000А50-2005А50Заклепка7х44В наличии
3501А2000А50-2005А50Заклепка7х46В наличии
3501А2000А50-2005А50Заклепка8х14В наличии
3501А2000А50-2005А50Заклепка8х15В наличии
3501А2000А50-2005А50Заклепка8х16В наличии
3501А2000А50-2005А50Заклепка8х17В наличии
3501А2000А50-2005А50Заклепка8х18В наличии
3501А2000А50-2005А50Заклепка8х19В наличии
3501А2000А50-2005А50Заклепка8х20В наличии
3501А2000А50-2005А50Заклепка8х22В наличии
3501А2000А50-2005А50Заклепка8х24В наличии
3501А2000А50-2005А50Заклепка8х26В наличии
3501А2000А50-2005А50Заклепка8х28В наличии
3501А2000А50-2005А50Заклепка8х30В наличии
3501А2000А50-2005А50Заклепка8х32В наличии
3501А2000А50-2005А50Заклепка8х34В наличии
3501А2000А50-2005А50Заклепка8х36В наличии
3501А2000А50-2005А50Заклепка8х36В наличии
3501А2000А50-2005А50Заклепка8х40В наличии
3501А2000А50-2005А50Заклепка8х42В наличии
3501А2000А50-2005А50Заклепка8х44В наличии
3501А2000А50-2005А50Заклепка8х46В наличии
3501А2000А50-2005А50Заклепка8х48В наличии
3501А2000А50-2005А50Заклепка8х50В наличии
3501А2000А50-2005А50Заклепка10х18В наличии
3501А2000А50-2005А50Заклепка10х19В наличии
3501А2000А50-2005А50Заклепка10х20В наличии
3501А2000А50-2005А50Заклепка10х22В наличии
3501А2000А50-2005А50Заклепка10х24В наличии
3501А2000А50-2005А50Заклепка10х26В наличии
3501А2000А50-2005А50Заклепка10х28В наличии
3501А2000А50-2005А50Заклепка10х30В наличии
3501А2000А50-2005А50Заклепка10х32В наличии
3501А2000А50-2005А50Заклепка10х34В наличии
3501А2000А50-2005А50Заклепка10х36В наличии
3501А2000А50-2005А50Заклепка10х38В наличии
3501А2000А50-2005А50Заклепка10х40В наличии
3501А2000А50-2005А50Заклепка10х42В наличии
3501А2000А50-2005А50Заклепка10х44В наличии
3501А2000А50-2005А50Заклепка10х46В наличии
3501А2000А50-2005А50Заклепка10х48В наличии
3501А2000А50-2005А50Заклепка10х50В наличии
3501А2000А50-2005А50Заклепка10х52В наличии
3501А2000А50-2005А50Заклепка10х54В наличии
3501А2000А50-2005А50Заклепка10х56В наличии
3501А2000А50-2005А50Заклепка10х58В наличии
3501А2000А50-2005А50Заклепка10х60В наличии

Для изготовителей и поставщиков: Добавить мои товары в базу

Для покупателей: Подать заявку на покупку

НаименованиеТипоразмерМатериалКоличество, штВес, кг
Заклепка 3501А 2000А50-2005А50
О

ОСТ 1 30055-84 Накатка кольцевая стержней болт-заклепок из титанового сплава

ОСТ 1 31076-80 Маркировка крепежных изделий взамен НОРМАЛЬ 176АТ

ОСТ 1 31076-80: Маркировка крепежных изделий (взамен НОРМАЛЬ 176АТ)

ОСТ 1 38016-80 Футорки

ОСТ 1 38020-82 Втулки

ОСТ 1 39502-77 Стопорение болтов, винтов, шпилек, штифтов и гаек

ОСТ 1 39503-77 Длины болтов и винтов

ОСТ 1 39504-79 Головки шестигранные болтов и винтов

ОСТ 1 41471-79 Формообразование концов труб тяг управления из сплава Д16Т. Типовой технологический процесс

ОСТ 1.41001-79 Диаметры отверстий под нарезание резьбы метрической по нормали 754АТ

ОСТ 1.41002-79 Диаметры стержней под нарезание резьбы метрической по нормали 754АТ и ОСТ 1.00039-73

ОСТ 92-0762-72 Болты, винты из титановых сплавов

ОСТ 92-0912-69 Детали из высокопрочных углеродистых легированных и высоколегированных сталей. ОСТ 92-0912-69

ОСТ 92-1179-77 Детали и сборочные единицы из сталей марок 07Х16Н6 и 08Х17Н5М3

ОСТ 92-8653-75 по ОСТ 92-8674-75 Соединения трубопроводов по внутреннему конусу

ОСТ-1-33102-80 Взамен нормали 102АТУ Гайки ОСТ-1-33102-80

Отраслевая нормаль 214АТ В замен нормали 214МТ55 метрическая резьбой со свободной посадкой

Отраслевая нормаль 714М55 pdf Кольца плоские ,стопорные технические условия

Отраслевая нормаль авиационной техники 101АТУ Взамен 201СТУ51

Отраслевая нормаль авиационной техники. Нормаль 722АТ.

Р

РЕЗЬБА МЕТРИЧЕСКАЯ

Резьба метрическая усиленная тугой посадкой сталь в алюминиевые и магниевые сплавы. Нормаль 254АТ взамен нормальный 154МТ46

Резьба метрическая. Основные размеры и допуски. Отраслевая нормаль 257АТ взамен 57АТ50 взамен 153МТ54.

РЕЗЬБА ТРАПЕЦЕИДАЛЬНАЯ

РЕЗЬБА ТРУБНАЯ ЦИЛИНДРИЧЕСКАЯ

РЕЗЬБА УПОРНАЯ

Резьба усиленная метрическая тугой посадкой сталь сталь система вала настоящая норма распространяется на резьбу усиленную метрическую тугой посадкой для сопрягаемых материалов сталь в сталь. Нормаль 122МТ53 взамен нормали 122МТ51

Резьба усиленная метрическая тугой посадкой сталь сталь система вала настоящая норма распространяется на резьбу усиленную метрическую тугой посадкой для сопрягаемых материалов сталь в сталь. Нормаль 122МТ53 взамен нормали 122МТ51

Резьбовые соединения. Резьба метрическая с натягом по посадкам 2Н5Д и 2Н5С Отраслевой стандарт ОСТ 1 04065–92

Оформите заказ или получите консультацию