ОСТ 1 13873-81 Угольники проходные

ОСТ 1 13873-81 УГОЛЬНИКИ ПРОХОДНЫЕ

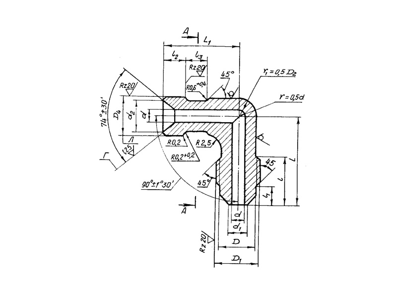
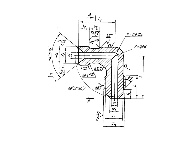
     Угольники проходные по ОСТ 1 13873-81 – это специальный крепеж, предназначенный для соединения трубопроводов по наружному конусу с обжимными гайками. Взамен нормалей 5722А, 5723А, 6504А, 6505А, ОСТ 1 13061-78.

КОНСТРУКЦИЯ И ТЕХНИЧЕСКИЕ ОСОБЕННОСТИ

     Конструкция угольника проходного состоит из трубчатого уголка с резьбами с обеих сторон.

     Материал изготовления: сталь 30ХГСА.

     Материал покрытия: Кд9.фос.окс.

ОСТ 1 13873-81.pdf

нормаль 5722А pdf

Пример наименования и обозначения проходного угольника исполнения 1 к трубопроводу наружным диаметром Dн=6 мм из алюминиевого сплава:

Угольник проходной 1-6-ОСТ 1 13871-81

То же, из стали ЗОХГСА:

Угольник проходной 1-6-ОСТ 1 13873-81

Угольник проходной
Наименование метиза
1
Исполнение
6
Наружный диаметр трубы
ОСТ 1 13873-81
Нормативно-технический документ

ПРИМЕНЕНИЕ

     Данные угольники используются во многих отраслях промышленности.

АНАЛОГИ

Нормали 5722А, 5723А.

Нормали 6504А, 6505А.

ОСТ 1 13061-78.

ОСТ/ГОСТНормальНаименованиеТипоразмерНа складе
ОСТ 1 13873-815722А-4Угольник проходной1х6В наличии
ОСТ 1 13873-815722А-6Угольник проходной1х8В наличии
ОСТ 1 13873-815722А-8Угольник проходной1х10В наличии
ОСТ 1 13873-815722А-10Угольник проходной1х12В наличии
ОСТ 1 13873-815722А-12Угольник проходной1х14В наличии
ОСТ 1 13873-815722А-14Угольник проходной1х16В наличии
ОСТ 1 13873-815722А-16Угольник проходной1х18В наличии
ОСТ 1 13873-815722А-18Угольник проходной1х20В наличии
ОСТ 1 13873-815722А-20Угольник проходной1х22В наличии
ОСТ 1 13873-815722А-22Угольник проходной1х25В наличии
ОСТ 1 13873-815722А-25Угольник проходной1х28В наличии
ОСТ 1 13873-815722А-28Угольник проходной1х30В наличии
ОСТ 1 13873-815723А-4Угольник проходной2х6В наличии
ОСТ 1 13873-815723А-6Угольник проходной2х8В наличии
ОСТ 1 13873-815723А-8Угольник проходной2х10В наличии
ОСТ 1 13873-815723А-10Угольник проходной2х12В наличии
ОСТ 1 13873-815723А-12Угольник проходной2х14В наличии
ОСТ 1 13873-815723А-14Угольник проходной2х16В наличии
ОСТ 1 13873-815723А-16Угольник проходной2х18В наличии
ОСТ 1 13873-815723А-18Угольник проходной2х20В наличии
ОСТ 1 13873-815723А-20Угольник проходной2х22В наличии
ОСТ 1 13873-815723А-22Угольник проходной2х25В наличии
ОСТ 1 13873-815723А-25Угольник проходной2х28В наличии
ОСТ 1 13873-815723А-28Угольник проходной2х30В наличии

Для изготовителей и поставщиков: Добавить мои товары в базу

Для покупателей: Подать заявку на покупку

НаименованиеТипоразмерМатериалКоличество, штВес, кг
Угольник проходной ОСТ 1 13873-81 5722А-4
О

ОСТ 1 30055-84 Накатка кольцевая стержней болт-заклепок из титанового сплава

ОСТ 1 31076-80 Маркировка крепежных изделий взамен НОРМАЛЬ 176АТ

ОСТ 1 31076-80: Маркировка крепежных изделий (взамен НОРМАЛЬ 176АТ)

ОСТ 1 38016-80 Футорки

ОСТ 1 38020-82 Втулки

ОСТ 1 39502-77 Стопорение болтов, винтов, шпилек, штифтов и гаек

ОСТ 1 39503-77 Длины болтов и винтов

ОСТ 1 39504-79 Головки шестигранные болтов и винтов

ОСТ 1 41471-79 Формообразование концов труб тяг управления из сплава Д16Т. Типовой технологический процесс

ОСТ 1 51730-79 Оснастка для формообразования концов труб тяг управления из сплава Д16Т

ОСТ 1 51731-79 Оснастка для формообразования концов труб тяг управления из сплава Д16Т

ОСТ 1.41001-79 Диаметры отверстий под нарезание резьбы метрической по нормали 754АТ

ОСТ 1.41002-79 Диаметры стержней под нарезание резьбы метрической по нормали 754АТ и ОСТ 1.00039-73

ОСТ 92-0762-72 Болты, винты из титановых сплавов

ОСТ 92-0912-69 Детали из высокопрочных углеродистых легированных и высоколегированных сталей. ОСТ 92-0912-69

ОСТ 92-1130-85 Детали стальные точные

ОСТ 92-1179-77 Детали и сборочные единицы из сталей марок 07Х16Н6 и 08Х17Н5М3

ОСТ 92-8653-75 по ОСТ 92-8674-75 Соединения трубопроводов по внутреннему конусу

ОСТ-1-33102-80 Взамен нормали 102АТУ Гайки ОСТ-1-33102-80

Отраслевая нормаль 214АТ В замен нормали 214МТ55 метрическая резьбой со свободной посадкой

Отраслевая нормаль 714М55 pdf Кольца плоские ,стопорные технические условия

Отраслевая нормаль авиационной техники 101АТУ Взамен 201СТУ51

Отраслевая нормаль авиационной техники. Нормаль 722АТ.

Р

РЕЗЬБА МЕТРИЧЕСКАЯ

Резьба метрическая усиленная тугой посадкой сталь в алюминиевые и магниевые сплавы. Нормаль 254АТ взамен нормальный 154МТ46

Резьба метрическая. Основные размеры и допуски. Отраслевая нормаль 257АТ взамен 57АТ50 взамен 153МТ54.

РЕЗЬБА ТРАПЕЦЕИДАЛЬНАЯ

РЕЗЬБА ТРУБНАЯ ЦИЛИНДРИЧЕСКАЯ

РЕЗЬБА УПОРНАЯ

Резьба усиленная метрическая тугой посадкой сталь сталь система вала настоящая норма распространяется на резьбу усиленную метрическую тугой посадкой для сопрягаемых материалов сталь в сталь. Нормаль 122МТ53 взамен нормали 122МТ51

Резьба усиленная метрическая тугой посадкой сталь сталь система вала настоящая норма распространяется на резьбу усиленную метрическую тугой посадкой для сопрягаемых материалов сталь в сталь. Нормаль 122МТ53 взамен нормали 122МТ51

Резьбовые соединения. Резьба метрическая с натягом по посадкам 2Н5Д и 2Н5С Отраслевой стандарт ОСТ 1 04065–92

Оформите заказ или получите консультацию