ИВУК 713261.014 Втулка

ИВУК 713261.014 ВТУЛКА

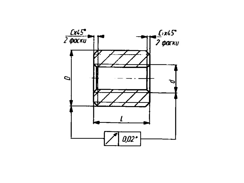
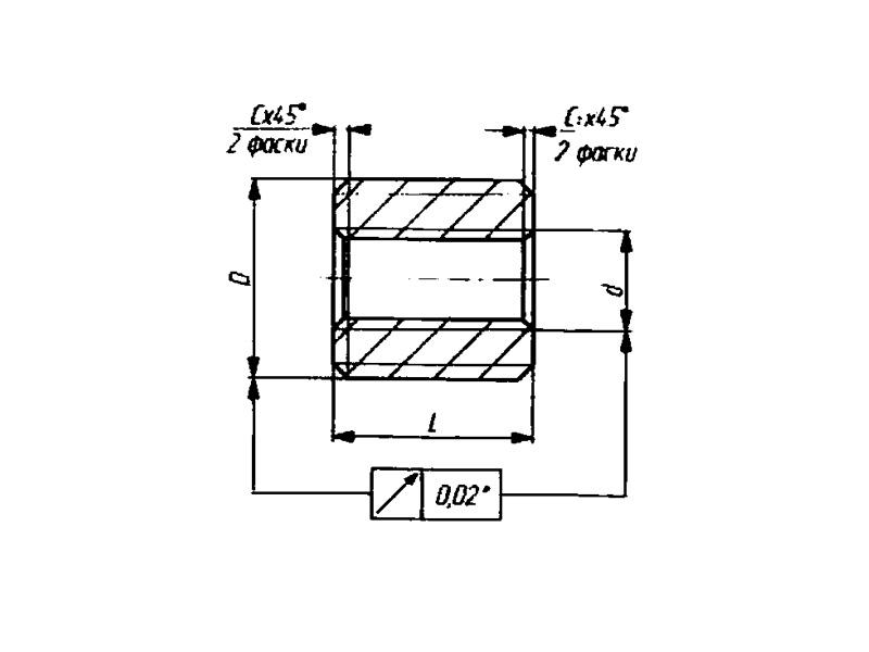
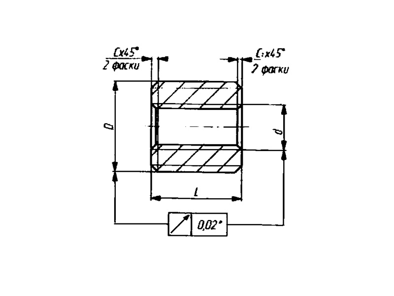
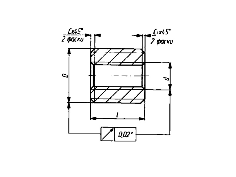
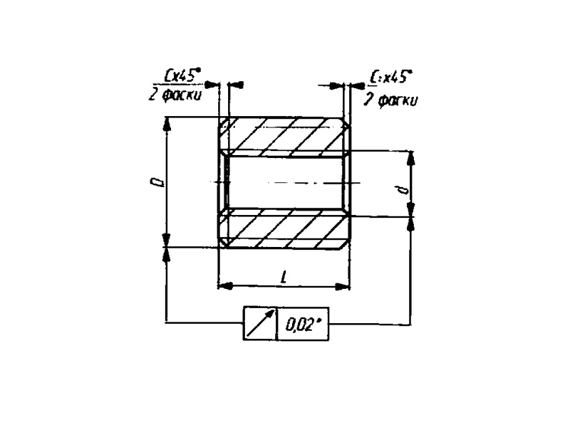
     Втулка по ИВУК 713261.014 – это специальный крепеж, представляющий собой цилиндрическую форму с отверстием определенного диаметра с гладкой либо ступенчатой поверхностью, которая крепится на шкив в качестве прокладки с другими деталями механизма.

КОНСТРУКЦИЯ И ТЕХНИЧЕСКИЕ ОСОБЕННОСТИ

     Конструкция втулки состоит из цилиндра с отверстием.

     Материал изготовления: сталь, титан.

     Материал покрытия: Хим.Пас.

ИВУК 713261.014 Втулка

Пример наименования и обозначения втулки типоразмера 01:

Втулка 01-ИВУК 713261.014

Втулка
Наименование метиза
01
Типоразмер
ИВУК 713261.014
Нормативно-технический документ

ПРИМЕНЕНИЕ

     Данные втулки используются во многих отраслях промышленности.

АНАЛОГИ

ОСТ/ГОСТНормальНаименованиеТипоразмерНа складе
ИВУК 713261.014ВтулкаИВУК 713261.014В наличии
ИВУК 713261.014Втулка01В наличии
ИВУК 713261.014Втулка0101В наличии
ИВУК 713261.014Втулка02В наличии
ИВУК 713261.014Втулка0201В наличии
ИВУК 713261.014Втулка03В наличии
ИВУК 713261.014Втулка0301В наличии
ИВУК 713261.014Втулка04В наличии
ИВУК 713261.014Втулка0401В наличии
ИВУК 713261.014Втулка05В наличии
ИВУК 713261.014Втулка0501В наличии
ИВУК 713261.014Втулка06В наличии
ИВУК 713261.014Втулка0601В наличии
ИВУК 713261.014Втулка07В наличии
ИВУК 713261.014Втулка0701В наличии
ИВУК 713261.014Втулка08В наличии
ИВУК 713261.014Втулка0801В наличии
ИВУК 713261.014Втулка09В наличии
ИВУК 713261.014Втулка0901В наличии
ИВУК 713261.014Втулка10В наличии
ИВУК 713261.014Втулка1001В наличии
ИВУК 713261.014Втулка11В наличии
ИВУК 713261.014Втулка1101В наличии
ИВУК 713261.014Втулка12В наличии
ИВУК 713261.014Втулка1201В наличии
ИВУК 713261.014Втулка13В наличии
ИВУК 713261.014Втулка1301В наличии
ИВУК 713261.014Втулка1401В наличии

Для изготовителей и поставщиков: Добавить мои товары в базу

Для покупателей: Подать заявку на покупку

НаименованиеТипоразмерМатериалКоличество, штВес, кг
Втулка ИВУК 713261.014
О

ОСТ 1 30055-84 Накатка кольцевая стержней болт-заклепок из титанового сплава

ОСТ 1 31076-80 Маркировка крепежных изделий взамен НОРМАЛЬ 176АТ

ОСТ 1 31076-80: Маркировка крепежных изделий (взамен НОРМАЛЬ 176АТ)

ОСТ 1 38016-80 Футорки

ОСТ 1 38020-82 Втулки

ОСТ 1 39502-77 Стопорение болтов, винтов, шпилек, штифтов и гаек

ОСТ 1 39503-77 Длины болтов и винтов

ОСТ 1 39504-79 Головки шестигранные болтов и винтов

ОСТ 1 41471-79 Формообразование концов труб тяг управления из сплава Д16Т. Типовой технологический процесс

ОСТ 1 51730-79 Оснастка для формообразования концов труб тяг управления из сплава Д16Т

ОСТ 1 51731-79 Оснастка для формообразования концов труб тяг управления из сплава Д16Т

ОСТ 1.41001-79 Диаметры отверстий под нарезание резьбы метрической по нормали 754АТ

ОСТ 1.41002-79 Диаметры стержней под нарезание резьбы метрической по нормали 754АТ и ОСТ 1.00039-73

ОСТ 92-0762-72 Болты, винты из титановых сплавов

ОСТ 92-0912-69 Детали из высокопрочных углеродистых легированных и высоколегированных сталей. ОСТ 92-0912-69

ОСТ 92-1130-85 Детали стальные точные

ОСТ 92-1179-77 Детали и сборочные единицы из сталей марок 07Х16Н6 и 08Х17Н5М3

ОСТ 92-8653-75 по ОСТ 92-8674-75 Соединения трубопроводов по внутреннему конусу

ОСТ-1-33102-80 Взамен нормали 102АТУ Гайки ОСТ-1-33102-80

Отраслевая нормаль 214АТ В замен нормали 214МТ55 метрическая резьбой со свободной посадкой

Отраслевая нормаль 714М55 pdf Кольца плоские ,стопорные технические условия

Отраслевая нормаль авиационной техники 101АТУ Взамен 201СТУ51

Отраслевая нормаль авиационной техники. Нормаль 722АТ.

Р

РЕЗЬБА МЕТРИЧЕСКАЯ

Резьба метрическая усиленная тугой посадкой сталь в алюминиевые и магниевые сплавы. Нормаль 254АТ взамен нормальный 154МТ46

Резьба метрическая. Основные размеры и допуски. Отраслевая нормаль 257АТ взамен 57АТ50 взамен 153МТ54.

РЕЗЬБА ТРАПЕЦЕИДАЛЬНАЯ

РЕЗЬБА ТРУБНАЯ ЦИЛИНДРИЧЕСКАЯ

РЕЗЬБА УПОРНАЯ

Резьба усиленная метрическая тугой посадкой сталь сталь система вала настоящая норма распространяется на резьбу усиленную метрическую тугой посадкой для сопрягаемых материалов сталь в сталь. Нормаль 122МТ53 взамен нормали 122МТ51

Резьба усиленная метрическая тугой посадкой сталь сталь система вала настоящая норма распространяется на резьбу усиленную метрическую тугой посадкой для сопрягаемых материалов сталь в сталь. Нормаль 122МТ53 взамен нормали 122МТ51

Резьбовые соединения. Резьба метрическая с натягом по посадкам 2Н5Д и 2Н5С Отраслевой стандарт ОСТ 1 04065–92

Оформите заказ или получите консультацию