ОСТ 1 11908-74 Болты с шестигранной облегченной головкой, с полем допуска диаметра стержня f9, из титанового сплава

Ост 1 11908-74 болты с шестигранной облегченной головкой, с полем допуска диаметра стержня f9, из титанового сплава

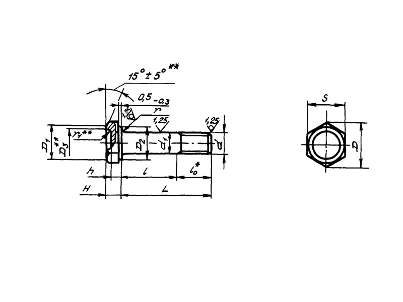
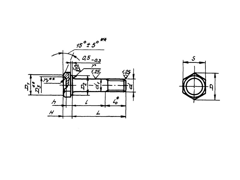
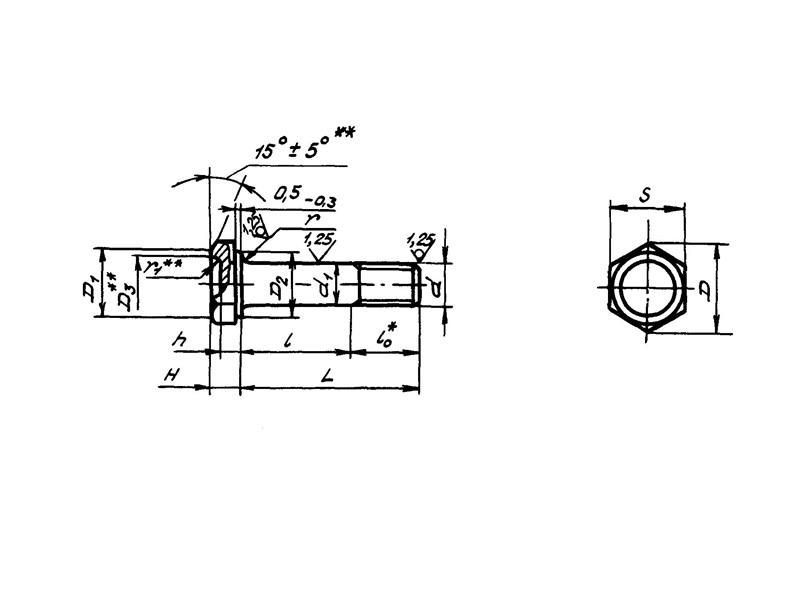
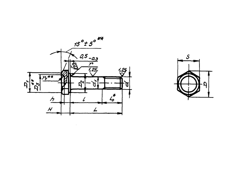
     Болты по ОСТ 1 11908-74 – это специальный крепеж, предназначенный для эксплуатации в соединениях, работающих на срез, при определенных температурах.

КОНСТРУКЦИЯ И ТЕХНИЧЕСКИЕ ОСОБЕННОСТИ

     Конструкция болта состоит из шестигранной головки и цилиндрического стержня с резьбой.

     Материал изготовления: титановый сплав ВТ16.

     Материал покрытия: Ан.Окс 2-3.

ОСТ 1 11908-74.pdf

Пример наименования и обозначения болта с шестигранной облегченной головкой, с полем допуска диаметра стержня f9, из титанового сплава, с резьбой М6 и длиной L=24мм, анодированного:

Болт 6-24-Ан.Окс-ОСТ 1 11908-74

Болт
Наименование метиза
6
Диаметр резьбы
24
Длина
Ан.Окс
Материал покрытия
ОСТ 1 11908-74
Нормативно-технический документ

ПРИМЕНЕНИЕ

     Данные болты используются во многих отраслях промышленности.

АНАЛОГИ

ОСТ/ГОСТНормальНаименованиеТипоразмерНа складе
ОСТ 1 11908-74Болт5х12В наличии
ОСТ 1 11908-74Болт5х14В наличии
ОСТ 1 11908-74Болт5х16В наличии
ОСТ 1 11908-74Болт5х18В наличии
ОСТ 1 11908-74Болт5х20В наличии
ОСТ 1 11908-74Болт5х22В наличии
ОСТ 1 11908-74Болт5х24В наличии
ОСТ 1 11908-74Болт5х26В наличии
ОСТ 1 11908-74Болт5х28В наличии
ОСТ 1 11908-74Болт5х30В наличии
ОСТ 1 11908-74Болт5х32В наличии
ОСТ 1 11908-74Болт5х34В наличии
ОСТ 1 11908-74Болт5х36В наличии
ОСТ 1 11908-74Болт5х38В наличии
ОСТ 1 11908-74Болт5х40В наличии
ОСТ 1 11908-74Болт5х42В наличии
ОСТ 1 11908-74Болт5х44В наличии
ОСТ 1 11908-74Болт5х46В наличии
ОСТ 1 11908-74Болт5х48В наличии
ОСТ 1 11908-74Болт5х50В наличии
ОСТ 1 11908-74Болт6х14В наличии
ОСТ 1 11908-74Болт6х16В наличии
ОСТ 1 11908-74Болт6х18В наличии
ОСТ 1 11908-74Болт6х20В наличии
ОСТ 1 11908-74Болт6х22В наличии
ОСТ 1 11908-74Болт6х24В наличии
ОСТ 1 11908-74Болт6х26В наличии
ОСТ 1 11908-74Болт6х28В наличии
ОСТ 1 11908-74Болт6х30В наличии
ОСТ 1 11908-74Болт6х32В наличии
ОСТ 1 11908-74Болт6х34В наличии
ОСТ 1 11908-74Болт6х36В наличии
ОСТ 1 11908-74Болт6х38В наличии
ОСТ 1 11908-74Болт6х40В наличии
ОСТ 1 11908-74Болт6х42В наличии
ОСТ 1 11908-74Болт6х44В наличии
ОСТ 1 11908-74Болт6х46В наличии
ОСТ 1 11908-74Болт6х48В наличии
ОСТ 1 11908-74Болт6х50В наличии
ОСТ 1 11908-74Болт6х52В наличии
ОСТ 1 11908-74Болт6х54В наличии
ОСТ 1 11908-74Болт6х56В наличии
ОСТ 1 11908-74Болт6х58В наличии
ОСТ 1 11908-74Болт6х60В наличии
ОСТ 1 11908-74Болт8х16В наличии
ОСТ 1 11908-74Болт8х18В наличии
ОСТ 1 11908-74Болт8х20В наличии
ОСТ 1 11908-74Болт8х22В наличии
ОСТ 1 11908-74Болт8х24В наличии
ОСТ 1 11908-74Болт8х26В наличии
ОСТ 1 11908-74Болт8х28В наличии
ОСТ 1 11908-74Болт8х30В наличии
ОСТ 1 11908-74Болт8х32В наличии
ОСТ 1 11908-74Болт8х34В наличии
ОСТ 1 11908-74Болт8х36В наличии
ОСТ 1 11908-74Болт8х38В наличии
ОСТ 1 11908-74Болт8х40В наличии
ОСТ 1 11908-74Болт8х42В наличии
ОСТ 1 11908-74Болт8х44В наличии
ОСТ 1 11908-74Болт8х46В наличии
ОСТ 1 11908-74Болт8х48В наличии
ОСТ 1 11908-74Болт8х50В наличии
ОСТ 1 11908-74Болт8х52В наличии
ОСТ 1 11908-74Болт8х54В наличии
ОСТ 1 11908-74Болт8х56В наличии
ОСТ 1 11908-74Болт8х58В наличии
ОСТ 1 11908-74Болт8х60В наличии
ОСТ 1 11908-74Болт8х62В наличии
ОСТ 1 11908-74Болт8х64В наличии
ОСТ 1 11908-74Болт8х66В наличии
ОСТ 1 11908-74Болт8х68В наличии
ОСТ 1 11908-74Болт8х70В наличии
ОСТ 1 11908-74Болт8х72В наличии
ОСТ 1 11908-74Болт8х74В наличии
ОСТ 1 11908-74Болт8х76В наличии
ОСТ 1 11908-74Болт8х78В наличии
ОСТ 1 11908-74Болт8х80В наличии

Для изготовителей и поставщиков: Добавить мои товары в базу

Для покупателей: Подать заявку на покупку

НаименованиеТипоразмерМатериалКоличество, штВес, кг
Болт ОСТ 1 11908-74
О

ОСТ 1 30055-84 Накатка кольцевая стержней болт-заклепок из титанового сплава

ОСТ 1 31076-80 Маркировка крепежных изделий взамен НОРМАЛЬ 176АТ

ОСТ 1 31076-80: Маркировка крепежных изделий (взамен НОРМАЛЬ 176АТ)

ОСТ 1 38016-80 Футорки

ОСТ 1 38020-82 Втулки

ОСТ 1 39502-77 Стопорение болтов, винтов, шпилек, штифтов и гаек

ОСТ 1 39503-77 Длины болтов и винтов

ОСТ 1 39504-79 Головки шестигранные болтов и винтов

ОСТ 1 41471-79 Формообразование концов труб тяг управления из сплава Д16Т. Типовой технологический процесс

ОСТ 1 51730-79 Оснастка для формообразования концов труб тяг управления из сплава Д16Т

ОСТ 1 51731-79 Оснастка для формообразования концов труб тяг управления из сплава Д16Т

ОСТ 1.41001-79 Диаметры отверстий под нарезание резьбы метрической по нормали 754АТ

ОСТ 1.41002-79 Диаметры стержней под нарезание резьбы метрической по нормали 754АТ и ОСТ 1.00039-73

ОСТ 92-0762-72 Болты, винты из титановых сплавов

ОСТ 92-0912-69 Детали из высокопрочных углеродистых легированных и высоколегированных сталей. ОСТ 92-0912-69

ОСТ 92-1130-85 Детали стальные точные

ОСТ 92-1179-77 Детали и сборочные единицы из сталей марок 07Х16Н6 и 08Х17Н5М3

ОСТ 92-8653-75 по ОСТ 92-8674-75 Соединения трубопроводов по внутреннему конусу

ОСТ-1-33102-80 Взамен нормали 102АТУ Гайки ОСТ-1-33102-80

Отраслевая нормаль 214АТ В замен нормали 214МТ55 метрическая резьбой со свободной посадкой

Отраслевая нормаль 714М55 pdf Кольца плоские ,стопорные технические условия

Отраслевая нормаль авиационной техники 101АТУ Взамен 201СТУ51

Отраслевая нормаль авиационной техники. Нормаль 722АТ.

Р

РЕЗЬБА МЕТРИЧЕСКАЯ

Резьба метрическая усиленная тугой посадкой сталь в алюминиевые и магниевые сплавы. Нормаль 254АТ взамен нормальный 154МТ46

Резьба метрическая. Основные размеры и допуски. Отраслевая нормаль 257АТ взамен 57АТ50 взамен 153МТ54.

РЕЗЬБА ТРАПЕЦЕИДАЛЬНАЯ

РЕЗЬБА ТРУБНАЯ ЦИЛИНДРИЧЕСКАЯ

РЕЗЬБА УПОРНАЯ

Резьба усиленная метрическая тугой посадкой сталь сталь система вала настоящая норма распространяется на резьбу усиленную метрическую тугой посадкой для сопрягаемых материалов сталь в сталь. Нормаль 122МТ53 взамен нормали 122МТ51

Резьба усиленная метрическая тугой посадкой сталь сталь система вала настоящая норма распространяется на резьбу усиленную метрическую тугой посадкой для сопрягаемых материалов сталь в сталь. Нормаль 122МТ53 взамен нормали 122МТ51

Резьбовые соединения. Резьба метрическая с натягом по посадкам 2Н5Д и 2Н5С Отраслевой стандарт ОСТ 1 04065–92

Оформите заказ или получите консультацию