ОСТ 1 11556-74 Колодки парные

ОСТ 1 11556-74 КОЛОДКИ ПАРНЫЕ

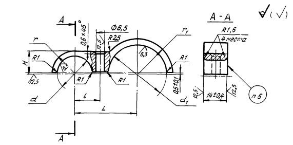
     Колодки по ОСТ 1 11556-74 – это специальный крепеж, предназначенный для крепления хомутов. Взамен нормали 4729А.

КОНСТРУКЦИЯ И ТЕХНИЧЕСКИЕ ОСОБЕННОСТИ

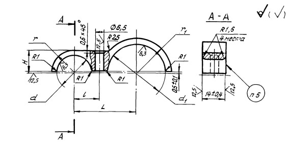
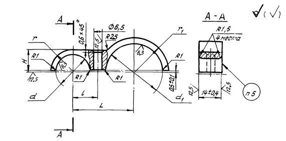
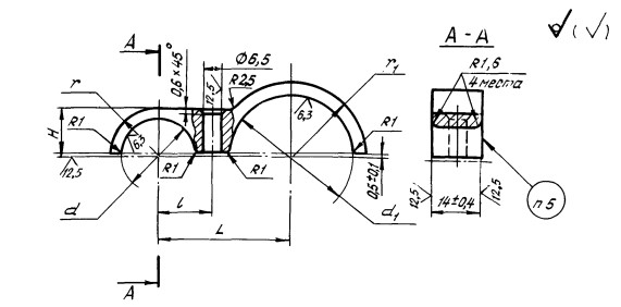
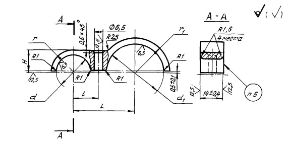
     Конструкция колодки состоит из двух загнутых металлических пластин.

     Материал изготовления: профили из алюминиевого сплава АК4-1ч.

     Материал покрытия: Хим.Окс.

ОСТ 1 11556-74.pdf

Пример наименования и обозначения колодки для трубопровода с Dн=16мм и Dн1=32мм:

Колодка 16-32-ОСТ 1 11556-74

Колодки
Наименование метиза
16
Диаметр трубопровода
32
Диаметр трубопровода
ОСТ 1 11556-74
Нормативно-технический документ

ПРИМЕНЕНИЕ

     Данные колодки используются во многих отраслях промышленности.

АНАЛОГИ

Нормаль 4729А.

ОСТ/ГОСТНормальНаименованиеТипоразмерНа складе
ОСТ 1 11556-744729АКолодки парные4х10В наличии
ОСТ 1 11556-744729АКолодки парные6х12В наличии
ОСТ 1 11556-744729АКолодки парные8х14В наличии
ОСТ 1 11556-744729АКолодки парные8х16В наличии
ОСТ 1 11556-744729АКолодки парные10х16В наличии
ОСТ 1 11556-744729АКолодки парные10х18В наличии
ОСТ 1 11556-744729АКолодки парные10х20В наличии
ОСТ 1 11556-744729АКолодки парные12х18В наличии
ОСТ 1 11556-744729АКолодки парные12х20В наличии
ОСТ 1 11556-744729АКолодки парные12х22В наличии
ОСТ 1 11556-744729АКолодки парные14х20В наличии
ОСТ 1 11556-744729АКолодки парные14х22В наличии
ОСТ 1 11556-744729АКолодки парные14х25В наличии
ОСТ 1 11556-744729АКолодки парные16х22В наличии
ОСТ 1 11556-744729АКолодки парные16х25В наличии
ОСТ 1 11556-744729АКолодки парные16х28В наличии
ОСТ 1 11556-744729АКолодки парные16х32В наличии
ОСТ 1 11556-744729АКолодки парные18х25В наличии
ОСТ 1 11556-744729АКолодки парные18х28В наличии
ОСТ 1 11556-744729АКолодки парные18х32В наличии
ОСТ 1 11556-744729АКолодки парные20х25В наличии
ОСТ 1 11556-744729АКолодки парные20х28В наличии
ОСТ 1 11556-744729АКолодки парные20х32В наличии
ОСТ 1 11556-744729АКолодки парные22х28В наличии
ОСТ 1 11556-744729АКолодки парные22х32В наличии
ОСТ 1 11556-744729АКолодки парные25х32В наличии

Для изготовителей и поставщиков: Добавить мои товары в базу

Для покупателей: Подать заявку на покупку

НаименованиеТипоразмерМатериалКоличество, штВес, кг
Колодки парные ОСТ 1 11556-74 4729А
О

ОСТ 1 30055-84 Накатка кольцевая стержней болт-заклепок из титанового сплава

ОСТ 1 31076-80 Маркировка крепежных изделий взамен НОРМАЛЬ 176АТ

ОСТ 1 31076-80: Маркировка крепежных изделий (взамен НОРМАЛЬ 176АТ)

ОСТ 1 38016-80 Футорки

ОСТ 1 38020-82 Втулки

ОСТ 1 39502-77 Стопорение болтов, винтов, шпилек, штифтов и гаек

ОСТ 1 39503-77 Длины болтов и винтов

ОСТ 1 39504-79 Головки шестигранные болтов и винтов

ОСТ 1 41471-79 Формообразование концов труб тяг управления из сплава Д16Т. Типовой технологический процесс

ОСТ 1 51730-79 Оснастка для формообразования концов труб тяг управления из сплава Д16Т

ОСТ 1 51731-79 Оснастка для формообразования концов труб тяг управления из сплава Д16Т

ОСТ 1.41001-79 Диаметры отверстий под нарезание резьбы метрической по нормали 754АТ

ОСТ 1.41002-79 Диаметры стержней под нарезание резьбы метрической по нормали 754АТ и ОСТ 1.00039-73

ОСТ 92-0762-72 Болты, винты из титановых сплавов

ОСТ 92-0912-69 Детали из высокопрочных углеродистых легированных и высоколегированных сталей. ОСТ 92-0912-69

ОСТ 92-1130-85 Детали стальные точные

ОСТ 92-1179-77 Детали и сборочные единицы из сталей марок 07Х16Н6 и 08Х17Н5М3

ОСТ 92-8653-75 по ОСТ 92-8674-75 Соединения трубопроводов по внутреннему конусу

ОСТ 92-8843-77 Крепежные детали повышенного качества

ОСТ-1-33102-80 Взамен нормали 102АТУ Гайки ОСТ-1-33102-80

Отраслевая нормаль 214АТ В замен нормали 214МТ55 метрическая резьбой со свободной посадкой

Отраслевая нормаль 714М55 pdf Кольца плоские ,стопорные технические условия

Отраслевая нормаль авиационной техники 101АТУ Взамен 201СТУ51

Отраслевая нормаль авиационной техники. Нормаль 722АТ.

Р

РЕЗЬБА МЕТРИЧЕСКАЯ

Резьба метрическая усиленная тугой посадкой сталь в алюминиевые и магниевые сплавы. Нормаль 254АТ взамен нормальный 154МТ46

Резьба метрическая. Основные размеры и допуски. Отраслевая нормаль 257АТ взамен 57АТ50 взамен 153МТ54.

РЕЗЬБА ТРАПЕЦЕИДАЛЬНАЯ

РЕЗЬБА ТРУБНАЯ ЦИЛИНДРИЧЕСКАЯ

РЕЗЬБА УПОРНАЯ

Резьба усиленная метрическая тугой посадкой сталь сталь система вала настоящая норма распространяется на резьбу усиленную метрическую тугой посадкой для сопрягаемых материалов сталь в сталь. Нормаль 122МТ53 взамен нормали 122МТ51

Резьба усиленная метрическая тугой посадкой сталь сталь система вала настоящая норма распространяется на резьбу усиленную метрическую тугой посадкой для сопрягаемых материалов сталь в сталь. Нормаль 122МТ53 взамен нормали 122МТ51

Резьбовые соединения. Резьба метрическая с натягом по посадкам 2Н5Д и 2Н5С Отраслевой стандарт ОСТ 1 04065–92

Оформите заказ или получите консультацию