ОСТ 92-8834-77 Винты с потайной головкой

ОСТ 92-8834-77 Винты С потайной головкой повышенного качества для прецизионного приборостроения

     Винты - это специальный крепеж, так как имеют потайную головку и конструкцию позволяющую им не выпадать из отверстия, ими можно соединять сразу несколько деталей, закрепляя их гайками. Используются вместе с гайками (шестигранными, квадратными, приварными). Для более прочного соединения могут применяться шайбы (гроверы).

Конструкция и технические особенности

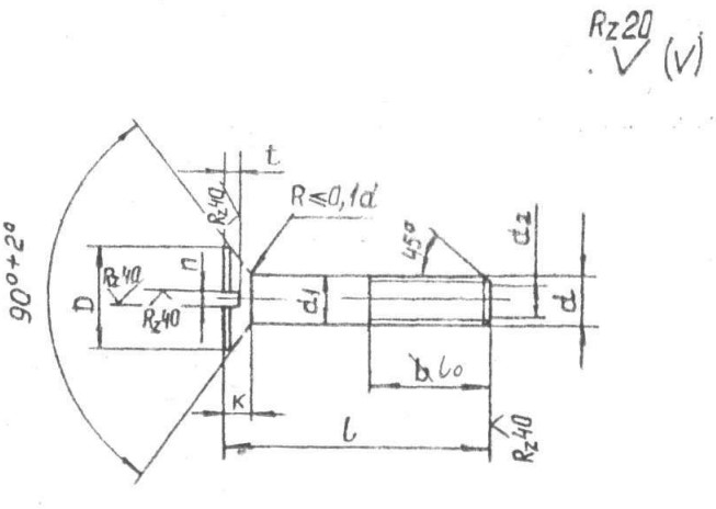
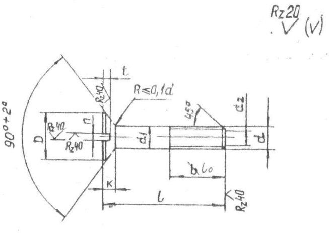
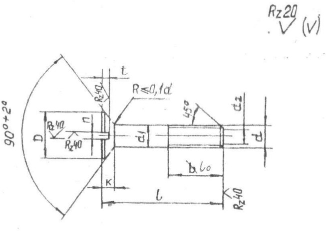
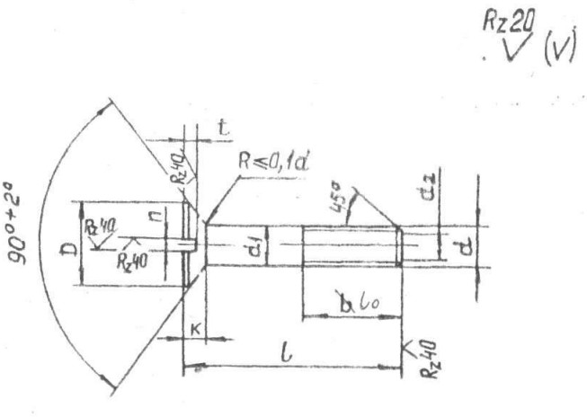
     Конструкция винта состоит из потайной головки и стержня с резьбой.

     Материал изготовления: сталь, латунь.

     Материал покрытия: цинк, без покрытия.

ОСТ 92-8834-77 pdf

Пример условного обозначения винта диаметром резьбы d=8мм, с полем допуска 6g, длиной L=20мм, из материала сталь 20Х13, без покрытия:

Винт М8 - 6g х 20.22 ОСТ 92-8834-77

Винт
Наименование метиза
М8
Диаметр резьбы
6g
Поле допуска
20
Длина
22
Материал
ОСТ 92-8834-77
Нормативно-технический документ

ПРИМЕНЕНИЕ

     Данные винты применяются во многих отраслях промышленности. Высокий спрос на изделие в машиностроении и приборостроении, где такие винты используют для надежного крепления, соединения деталей и металлических конструкций.

АНАЛОГ

ОСТ/ГОСТНормальНаименованиеТипоразмерНа складе
ОСТ 92-8834-77Винт1х3В наличии
ОСТ 92-8834-77Винт1,4х3В наличии
ОСТ 92-8834-77Винт1,4х5В наличии
ОСТ 92-8834-77Винт1,6х3В наличии
ОСТ 92-8834-77Винт1,6х4В наличии
ОСТ 92-8834-77Винт1,6х5В наличии
ОСТ 92-8834-77Винт1,6х6В наличии
ОСТ 92-8834-77Винт2х3В наличии
ОСТ 92-8834-77Винт2х4В наличии
ОСТ 92-8834-77Винт2х5В наличии
ОСТ 92-8834-77Винт2х6В наличии
ОСТ 92-8834-77Винт2х7В наличии
ОСТ 92-8834-77Винт2х8В наличии
ОСТ 92-8834-77Винт2х10В наличии
ОСТ 92-8834-77Винт2х12В наличии
ОСТ 92-8834-77Винт2х14В наличии
ОСТ 92-8834-77Винт2х16В наличии
ОСТ 92-8834-77Винт2,5х4В наличии
ОСТ 92-8834-77Винт2,5х5В наличии
ОСТ 92-8834-77Винт2,5х6В наличии
ОСТ 92-8834-77Винт2,5х7В наличии
ОСТ 92-8834-77Винт2,5х8В наличии
ОСТ 92-8834-77Винт2,5х10В наличии
ОСТ 92-8834-77Винт2,5х12В наличии
ОСТ 92-8834-77Винт2,5х14В наличии
ОСТ 92-8834-77Винт2,5х16В наличии
ОСТ 92-8834-77Винт2,5х18В наличии
ОСТ 92-8834-77Винт3х4В наличии
ОСТ 92-8834-77Винт3х5В наличии
ОСТ 92-8834-77Винт3х6В наличии
ОСТ 92-8834-77Винт3х7В наличии
ОСТ 92-8834-77Винт3х8В наличии
ОСТ 92-8834-77Винт3х10В наличии
ОСТ 92-8834-77Винт3х12В наличии
ОСТ 92-8834-77Винт3х14В наличии
ОСТ 92-8834-77Винт3х16В наличии
ОСТ 92-8834-77Винт3х18В наличии
ОСТ 92-8834-77Винт3х20В наличии
ОСТ 92-8834-77Винт3х22В наличии
ОСТ 92-8834-77Винт3х25В наличии
ОСТ 92-8834-77Винт3х28В наличии
ОСТ 92-8834-77Винт3х30В наличии
ОСТ 92-8834-77Винт3х35В наличии
ОСТ 92-8834-77Винт4х7В наличии
ОСТ 92-8834-77Винт4х8В наличии
ОСТ 92-8834-77Винт4х10В наличии
ОСТ 92-8834-77Винт4х12В наличии
ОСТ 92-8834-77Винт4х14В наличии
ОСТ 92-8834-77Винт4х16В наличии
ОСТ 92-8834-77Винт4х18В наличии
ОСТ 92-8834-77Винт4х20В наличии
ОСТ 92-8834-77Винт4х22В наличии
ОСТ 92-8834-77Винт4х25В наличии
ОСТ 92-8834-77Винт4х30В наличии
ОСТ 92-8834-77Винт5х10В наличии
ОСТ 92-8834-77Винт5х12В наличии
ОСТ 92-8834-77Винт5х14В наличии
ОСТ 92-8834-77Винт5х16В наличии
ОСТ 92-8834-77Винт5х18В наличии
ОСТ 92-8834-77Винт5х20В наличии
ОСТ 92-8834-77Винт5х22В наличии
ОСТ 92-8834-77Винт5х25В наличии
ОСТ 92-8834-77Винт5х30В наличии
ОСТ 92-8834-77Винт5х32В наличии
ОСТ 92-8834-77Винт6х12В наличии
ОСТ 92-8834-77Винт6х14В наличии
ОСТ 92-8834-77Винт6х16В наличии
ОСТ 92-8834-77Винт6х18В наличии
ОСТ 92-8834-77Винт6х20В наличии
ОСТ 92-8834-77Винт6х22В наличии
ОСТ 92-8834-77Винт6х25В наличии
ОСТ 92-8834-77Винт6х30В наличии
ОСТ 92-8834-77Винт6х35В наличии
ОСТ 92-8834-77Винт8х14В наличии
ОСТ 92-8834-77Винт8х16В наличии
ОСТ 92-8834-77Винт8х18В наличии
ОСТ 92-8834-77Винт8х20В наличии
ОСТ 92-8834-77Винт8х22В наличии
ОСТ 92-8834-77Винт8х25В наличии

Для изготовителей и поставщиков: Добавить мои товары в базу

Для покупателей: Подать заявку на покупку

НаименованиеТипоразмерМатериалКоличество, штВес, кг
Винт ОСТ 92-8834-77
О

ОСТ 1 30055-84 Накатка кольцевая стержней болт-заклепок из титанового сплава

ОСТ 1 31076-80 Маркировка крепежных изделий взамен НОРМАЛЬ 176АТ

ОСТ 1 31076-80: Маркировка крепежных изделий (взамен НОРМАЛЬ 176АТ)

ОСТ 1 38016-80 Футорки

ОСТ 1 38020-82 Втулки

ОСТ 1 39502-77 Стопорение болтов, винтов, шпилек, штифтов и гаек

ОСТ 1 39503-77 Длины болтов и винтов

ОСТ 1 39504-79 Головки шестигранные болтов и винтов

ОСТ 1 41471-79 Формообразование концов труб тяг управления из сплава Д16Т. Типовой технологический процесс

ОСТ 1 51730-79 Оснастка для формообразования концов труб тяг управления из сплава Д16Т

ОСТ 1 51731-79 Оснастка для формообразования концов труб тяг управления из сплава Д16Т

ОСТ 1.41001-79 Диаметры отверстий под нарезание резьбы метрической по нормали 754АТ

ОСТ 1.41002-79 Диаметры стержней под нарезание резьбы метрической по нормали 754АТ и ОСТ 1.00039-73

ОСТ 92-0762-72 Болты, винты из титановых сплавов

ОСТ 92-0912-69 Детали из высокопрочных углеродистых легированных и высоколегированных сталей. ОСТ 92-0912-69

ОСТ 92-1130-85 Детали стальные точные

ОСТ 92-1179-77 Детали и сборочные единицы из сталей марок 07Х16Н6 и 08Х17Н5М3

ОСТ 92-8653-75 по ОСТ 92-8674-75 Соединения трубопроводов по внутреннему конусу

ОСТ-1-33102-80 Взамен нормали 102АТУ Гайки ОСТ-1-33102-80

Отраслевая нормаль 214АТ В замен нормали 214МТ55 метрическая резьбой со свободной посадкой

Отраслевая нормаль 714М55 pdf Кольца плоские ,стопорные технические условия

Отраслевая нормаль авиационной техники 101АТУ Взамен 201СТУ51

Отраслевая нормаль авиационной техники. Нормаль 722АТ.

Р

РЕЗЬБА МЕТРИЧЕСКАЯ

Резьба метрическая усиленная тугой посадкой сталь в алюминиевые и магниевые сплавы. Нормаль 254АТ взамен нормальный 154МТ46

Резьба метрическая. Основные размеры и допуски. Отраслевая нормаль 257АТ взамен 57АТ50 взамен 153МТ54.

РЕЗЬБА ТРАПЕЦЕИДАЛЬНАЯ

РЕЗЬБА ТРУБНАЯ ЦИЛИНДРИЧЕСКАЯ

РЕЗЬБА УПОРНАЯ

Резьба усиленная метрическая тугой посадкой сталь сталь система вала настоящая норма распространяется на резьбу усиленную метрическую тугой посадкой для сопрягаемых материалов сталь в сталь. Нормаль 122МТ53 взамен нормали 122МТ51

Резьба усиленная метрическая тугой посадкой сталь сталь система вала настоящая норма распространяется на резьбу усиленную метрическую тугой посадкой для сопрягаемых материалов сталь в сталь. Нормаль 122МТ53 взамен нормали 122МТ51

Резьбовые соединения. Резьба метрическая с натягом по посадкам 2Н5Д и 2Н5С Отраслевой стандарт ОСТ 1 04065–92

Оформите заказ или получите консультацию