ОСТ 1 12957-77 Тройники проходные

ОСТ 1 12957-77 ТРОЙНИКИ ПРОХОДНЫЕ

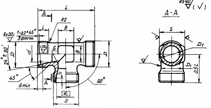
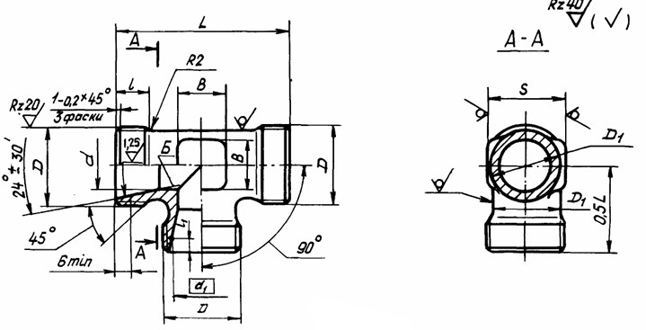
     Настоящий стандарт распространяется на проходные тройники, предназначенные для соединений трубопроводов с углом конуса 24гр.

КОНСТРУКЦИЯ И ТЕХНИЧЕСКИЕ ОСОБЕННОСТИ

     Конструкция тройника проходного состоит из трубчатого тройника с резьбами.

     Материал изготовления: сталь 15Х16Н2АМ-Ш.

     Материал покрытия: Хим.пас.

ОСТ 1 12957-77.pdf

Пример наименования и  обозначения проходного тройника к трубопроводу с Dн =12 мм из стали 15Х16Н2АМ-Ш:

Тройник проходной 12-ОСТ 1 12957-77

Тройник проходной
Наименование метиза
12
Диаметр трубопровода
ОСТ 1 12957-77
Нормативно-технический документ

В обозначении проходного тройника к трубопроводу Dн=6 мм с резьбой MR12х1,5 дополнительно вводится шаг резьбы, например:

Тройник проходной 6-1,5 ОСТ 1 12957-77

Тройник проходной
Наименование метиза
6
Диаметр трубопровода
1,5
Шаг резьбы
ОСТ 1 12957-77
Нормативно-технический документ

ПРИМЕНЕНИЕ

     Настоящий стандарт распространяется на тройники проходные, предназначенные для соединений трубопроводов с углом конуса 24гр.

АНАЛОГИ

ОСТ/ГОСТНормальНаименованиеТипоразмерНа складе
ОСТ 1 12957-77Тройник проходной6В наличии
ОСТ 1 12957-77Тройник проходной8В наличии
ОСТ 1 12957-77Тройник проходной10В наличии
ОСТ 1 12957-77Тройник проходной12В наличии
ОСТ 1 12957-77Тройник проходной14В наличии
ОСТ 1 12957-77Тройник проходной16В наличии
ОСТ 1 12957-77Тройник проходной18В наличии
ОСТ 1 12957-77Тройник проходной20В наличии
ОСТ 1 12957-77Тройник проходной22В наличии
ОСТ 1 12957-77Тройник проходной25В наличии
ОСТ 1 12957-77Тройник проходной28В наличии
ОСТ 1 12957-77Тройник проходной30В наличии
ОСТ 1 12957-77Тройник проходной32В наличии
ОСТ 1 12957-77Тройник проходной34В наличии
ОСТ 1 12957-77Тройник проходной36В наличии
ОСТ 1 12957-77Тройник проходной38В наличии
ОСТ 1 12957-77Тройник проходной42В наличии

Для изготовителей и поставщиков: Добавить мои товары в базу

Для покупателей: Подать заявку на покупку

НаименованиеТипоразмерМатериалКоличество, штВес, кг
Тройник проходной ОСТ 1 12957-77
О

ОСТ 1 30055-84 Накатка кольцевая стержней болт-заклепок из титанового сплава

ОСТ 1 31076-80 Маркировка крепежных изделий взамен НОРМАЛЬ 176АТ

ОСТ 1 31076-80: Маркировка крепежных изделий (взамен НОРМАЛЬ 176АТ)

ОСТ 1 38016-80 Футорки

ОСТ 1 38020-82 Втулки

ОСТ 1 39502-77 Стопорение болтов, винтов, шпилек, штифтов и гаек

ОСТ 1 39503-77 Длины болтов и винтов

ОСТ 1 39504-79 Головки шестигранные болтов и винтов

ОСТ 1 41471-79 Формообразование концов труб тяг управления из сплава Д16Т. Типовой технологический процесс

ОСТ 1 51730-79 Оснастка для формообразования концов труб тяг управления из сплава Д16Т

ОСТ 1 51731-79 Оснастка для формообразования концов труб тяг управления из сплава Д16Т

ОСТ 1.41001-79 Диаметры отверстий под нарезание резьбы метрической по нормали 754АТ

ОСТ 1.41002-79 Диаметры стержней под нарезание резьбы метрической по нормали 754АТ и ОСТ 1.00039-73

ОСТ 92-0762-72 Болты, винты из титановых сплавов

ОСТ 92-0912-69 Детали из высокопрочных углеродистых легированных и высоколегированных сталей. ОСТ 92-0912-69

ОСТ 92-1130-85 Детали стальные точные

ОСТ 92-1179-77 Детали и сборочные единицы из сталей марок 07Х16Н6 и 08Х17Н5М3

ОСТ 92-8653-75 по ОСТ 92-8674-75 Соединения трубопроводов по внутреннему конусу

ОСТ-1-33102-80 Взамен нормали 102АТУ Гайки ОСТ-1-33102-80

Отраслевая нормаль 214АТ В замен нормали 214МТ55 метрическая резьбой со свободной посадкой

Отраслевая нормаль 714М55 pdf Кольца плоские ,стопорные технические условия

Отраслевая нормаль авиационной техники 101АТУ Взамен 201СТУ51

Отраслевая нормаль авиационной техники. Нормаль 722АТ.

Р

РЕЗЬБА МЕТРИЧЕСКАЯ

Резьба метрическая усиленная тугой посадкой сталь в алюминиевые и магниевые сплавы. Нормаль 254АТ взамен нормальный 154МТ46

Резьба метрическая. Основные размеры и допуски. Отраслевая нормаль 257АТ взамен 57АТ50 взамен 153МТ54.

РЕЗЬБА ТРАПЕЦЕИДАЛЬНАЯ

РЕЗЬБА ТРУБНАЯ ЦИЛИНДРИЧЕСКАЯ

РЕЗЬБА УПОРНАЯ

Резьба усиленная метрическая тугой посадкой сталь сталь система вала настоящая норма распространяется на резьбу усиленную метрическую тугой посадкой для сопрягаемых материалов сталь в сталь. Нормаль 122МТ53 взамен нормали 122МТ51

Резьба усиленная метрическая тугой посадкой сталь сталь система вала настоящая норма распространяется на резьбу усиленную метрическую тугой посадкой для сопрягаемых материалов сталь в сталь. Нормаль 122МТ53 взамен нормали 122МТ51

Резьбовые соединения. Резьба метрическая с натягом по посадкам 2Н5Д и 2Н5С Отраслевой стандарт ОСТ 1 04065–92

Оформите заказ или получите консультацию