ОСТ 1 10101-71 Гайки

ОСТ 1 10101-71 ГАЙКИ

     Настоящий стандарт распространяется на гайки для подвижных соединений трубопроводов по ОСТ 1 10097-71 и для подвижных соединений трубопроводов с агрегатами по ОСТ 1 10098-71. Взамен нормали 6900А.

КОНСТРУКЦИЯ И ТЕХНИЧЕСКИЕ ОСОБЕННОСТИ

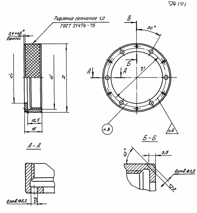
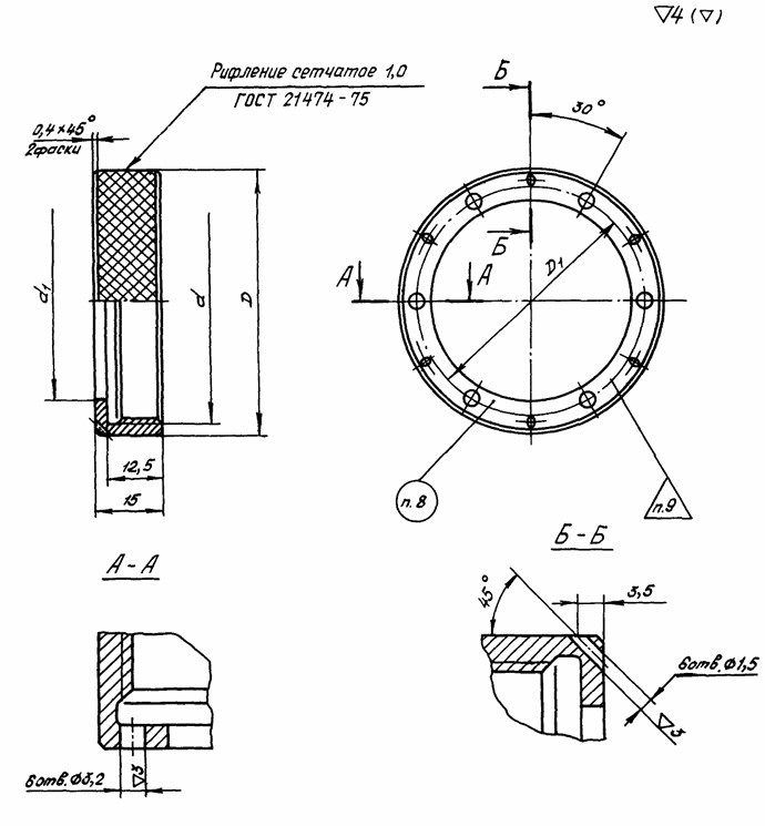
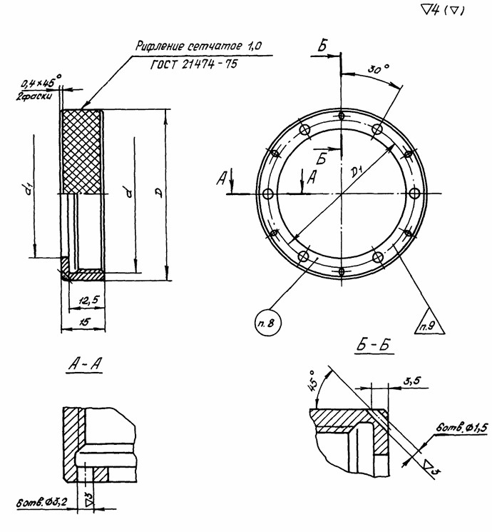
     Конструкция гайки состоит из стержня с резьбой.

     Материал изготовления: алюминиевый сплав марки Д16Т по ГОСТ 18482-73.

     Материал покрытия: Ан.Окс.хр.

ОСТ 1 10101-71.pdf

Пример условного обозначения гайки для трубопровода с Dн 12мм:

Гайка 12-ОСТ 1 10101-71

Гайка
Наименование метиза
12
Диаметр трубопровода
ОСТ 1 10101-71
Нормативно-технический документ

ПРИМЕНЕНИЕ

     Данные гайки широко применяются в машиностроении и авиации.

АНАЛОГИ

Взамен 6900А

ОСТ/ГОСТНормальНаименованиеТипоразмерНа складе
ОСТ 1 10101-716900АГайка12В наличии
ОСТ 1 10101-716900АГайка14В наличии
ОСТ 1 10101-716900АГайка16В наличии
ОСТ 1 10101-716900АГайка18В наличии
ОСТ 1 10101-716900АГайка20В наличии
ОСТ 1 10101-716900АГайка22В наличии
ОСТ 1 10101-716900АГайка25В наличии
ОСТ 1 10101-716900АГайка28В наличии
ОСТ 1 10101-716900АГайка32В наличии
ОСТ 1 10101-716900АГайка36В наличии
ОСТ 1 10101-716900АГайка40В наличии
ОСТ 1 10101-716900АГайка45В наличии
ОСТ 1 10101-716900АГайка50В наличии
ОСТ 1 10101-716900АГайка56В наличии
ОСТ 1 10101-716900АГайка63В наличии
ОСТ 1 10101-716900АГайка70В наличии

Для изготовителей и поставщиков: Добавить мои товары в базу

Для покупателей: Подать заявку на покупку

НаименованиеТипоразмерМатериалКоличество, штВес, кг
Гайка ОСТ 1 10101-71 6900А
О

ОСТ 1 30055-84 Накатка кольцевая стержней болт-заклепок из титанового сплава

ОСТ 1 31076-80 Маркировка крепежных изделий взамен НОРМАЛЬ 176АТ

ОСТ 1 31076-80: Маркировка крепежных изделий (взамен НОРМАЛЬ 176АТ)

ОСТ 1 38016-80 Футорки

ОСТ 1 38020-82 Втулки

ОСТ 1 39502-77 Стопорение болтов, винтов, шпилек, штифтов и гаек

ОСТ 1 39503-77 Длины болтов и винтов

ОСТ 1 39504-79 Головки шестигранные болтов и винтов

ОСТ 1 41471-79 Формообразование концов труб тяг управления из сплава Д16Т. Типовой технологический процесс

ОСТ 1 51730-79 Оснастка для формообразования концов труб тяг управления из сплава Д16Т

ОСТ 1 51731-79 Оснастка для формообразования концов труб тяг управления из сплава Д16Т

ОСТ 1.41001-79 Диаметры отверстий под нарезание резьбы метрической по нормали 754АТ

ОСТ 1.41002-79 Диаметры стержней под нарезание резьбы метрической по нормали 754АТ и ОСТ 1.00039-73

ОСТ 92-0762-72 Болты, винты из титановых сплавов

ОСТ 92-0912-69 Детали из высокопрочных углеродистых легированных и высоколегированных сталей. ОСТ 92-0912-69

ОСТ 92-1130-85 Детали стальные точные

ОСТ 92-1179-77 Детали и сборочные единицы из сталей марок 07Х16Н6 и 08Х17Н5М3

ОСТ 92-8653-75 по ОСТ 92-8674-75 Соединения трубопроводов по внутреннему конусу

ОСТ-1-33102-80 Взамен нормали 102АТУ Гайки ОСТ-1-33102-80

Отраслевая нормаль 214АТ В замен нормали 214МТ55 метрическая резьбой со свободной посадкой

Отраслевая нормаль 714М55 pdf Кольца плоские ,стопорные технические условия

Отраслевая нормаль авиационной техники 101АТУ Взамен 201СТУ51

Отраслевая нормаль авиационной техники. Нормаль 722АТ.

Р

РЕЗЬБА МЕТРИЧЕСКАЯ

Резьба метрическая усиленная тугой посадкой сталь в алюминиевые и магниевые сплавы. Нормаль 254АТ взамен нормальный 154МТ46

Резьба метрическая. Основные размеры и допуски. Отраслевая нормаль 257АТ взамен 57АТ50 взамен 153МТ54.

РЕЗЬБА ТРАПЕЦЕИДАЛЬНАЯ

РЕЗЬБА ТРУБНАЯ ЦИЛИНДРИЧЕСКАЯ

РЕЗЬБА УПОРНАЯ

Резьба усиленная метрическая тугой посадкой сталь сталь система вала настоящая норма распространяется на резьбу усиленную метрическую тугой посадкой для сопрягаемых материалов сталь в сталь. Нормаль 122МТ53 взамен нормали 122МТ51

Резьба усиленная метрическая тугой посадкой сталь сталь система вала настоящая норма распространяется на резьбу усиленную метрическую тугой посадкой для сопрягаемых материалов сталь в сталь. Нормаль 122МТ53 взамен нормали 122МТ51

Резьбовые соединения. Резьба метрическая с натягом по посадкам 2Н5Д и 2Н5С Отраслевой стандарт ОСТ 1 04065–92

Оформите заказ или получите консультацию